Каталог запасных частей к технике: BOMAG BW219DH-4 (2014). E2-Lighting-Stvzo S/N 101582701002

12
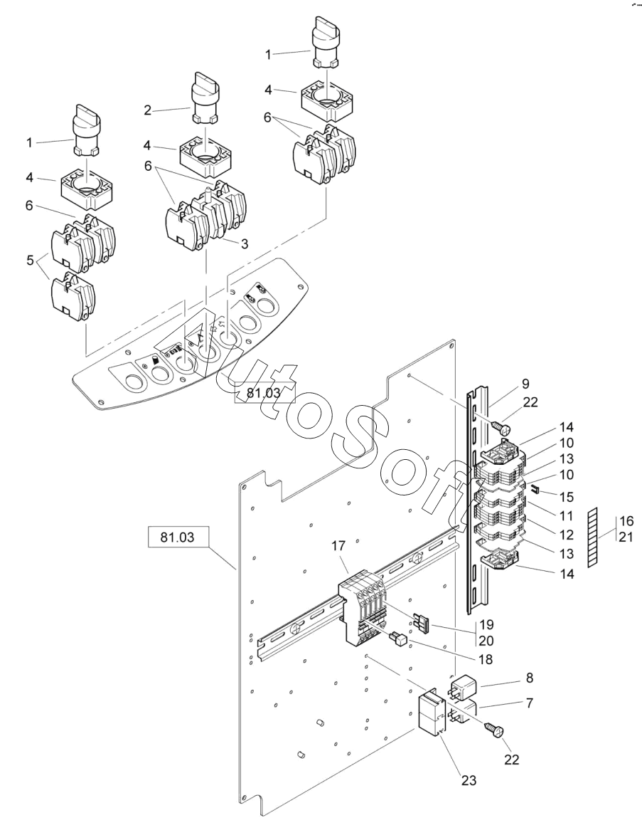
23
22
22
21
20
19
18
17
16
15
14
14
13
13
1
1
11
10
10
9
8
7
6
6
6
5
4
4
4
3
2
Позиция на иллюстрации | Заводской номер детали | Название детали | |
---|---|---|---|
1 | 0***5 | Front element | |
2 | 0***9 | Front element | |
3 | 0***0 | LED | |
4 | 0***0 | Fastening flange | |
5 | 0***1 | Switch,normally closed | |
6 | 0***2 | Switch,normally open | |
7 | 0***6 | Relay | |
8 | 0***9 | Flasher | |
9 | 0***3 | Rail | |
10 | 0***0 | Terminal | |
11 | 0***8 | Terminal | |
12 | 0***9 | Terminal | |
13 | 0***7 | End plate | |
14 | 0***7 | Clamp | |
15 | 0***6 | Bridge | |
16 | 0***1 | Sequence of numbers | |
17 | 0***6 | Terminal | |
18 | 0***9 | Bridge | |
19 | 0***7 | Fuse | |
20 | 0***8 | Fuse | |
21 | 0***6 | Sequence of numbers | |
22 | 0***0 | Screw | |
23 | 5***5 | Wiring |
Содержащиеся в справочниках-каталогах запасные части и детали не предлагаются к продаже, а носят исключительно информационный характер. В демо-версии артикулы (номера деталей) скрыты. Если вы хотите видеть полные оригинальные номера запчастей, вам необходимо зарегистрироваться на нашем сайте и приобрести подписку по интересующей вас конфигурации, после этого вы сможете встроить онлайн-каталоги на ваш сайт или пользоваться ими из личного кабинета нашего сайта. Обращаем ваше внимание на то, что каталоги содержат информацию об оригинальных заводских номерах и названиях запчастей. База по аналогам в данный момент не реализована. Поиска по VIN-номерам в онлайн-каталоге не предусмотрено. Выбор конкретного каталога осуществляется путем открытия нужного типа техники, марки, модели с учетом года выпуска или модификации.