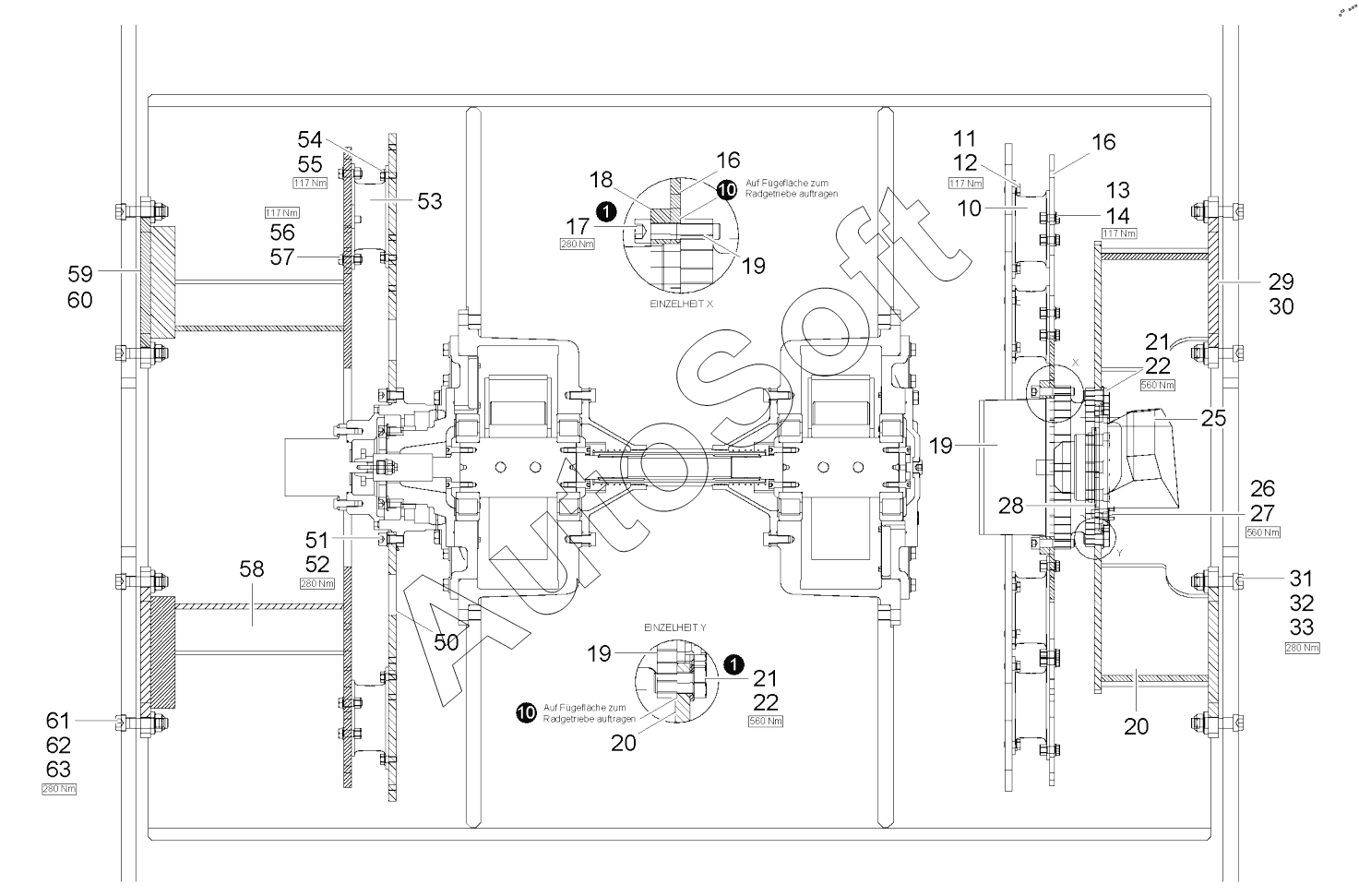
Каталог запасных частей к технике: HAMM 3411 (2014). SUSPENSION (ROLLER DRUM)

55
31
32
33
50
51
52
53
54
30
56
57
58
59
60
61
62
63
20
20
11
12
13
14
16
16
17
18
19
19
19
10
21
21
22
22
25
25
26
27
28
29
Позиция на иллюстрации | Заводской номер детали | Название детали | |
---|---|---|---|
10 | 1***6 | SILENTBLOC | |
11 | 1***9 | HEXAGON SCREW | |
12 | 3***3 | WASHER | |
13 | 2***2 | HEXAGON SCREW | |
14 | 3***3 | WASHER | |
16 | 1***1 | CARRIER STAR | |
17 | 2***4 | CHEESE-HEAD SCREW | |
18 | 1***6 | SEGMENT | |
19 | 2***4 | WHEEL GEAR COMPL. | |
20 | 8***8 | MOUNTING | |
21 | 1***6 | HEXAGON SCREW | |
22 | 3***0 | WASHER | |
25 | 1***3 | HYDRAULIC MOTOR VERSION, 3410, 3411 | |
25 | 2***0 | HYDRAULIC MOTOR VERSION,3410 P, 3411 P | |
26 | 3***9 | HEXAGON SCREW | |
27 | 2***3 | WASHER VERSION 3411 | |
28 | 3***4 | O-RING SEAL | |
29 | 1***3 | DISTANCE SHEET T=6 | |
30 | 1***1 | DISTANCE SHEET T=2 | |
31 | 1***9 | CHEESE-HEAD SCREW | |
32 | 1***1 | U-WASHER | |
33 | 3***3 | SAFETY NUT | |
50 | 1***4 | DRIVER | |
51 | 1***3 | CHEESE-HEAD SCREW | |
52 | 2***3 | WASHER VERSION 3411 | |
53 | 1***6 | SILENTBLOC | |
54 | 1***9 | HEXAGON SCREW | |
55 | 3***3 | WASHER | |
56 | 2***5 | HEXAGON SCREW | |
57 | 3***3 | WASHER | |
58 | 8***6 | MOUNTING | |
59 | 1***3 | DISTANCE SHEET T=6 | |
60 | 1***1 | DISTANCE SHEET T=2 | |
61 | 1***0 | CHEESE-HEAD SCREW | |
62 | 1***1 | U-WASHER | |
63 | 3***3 | SAFETY NUT |
Содержащиеся в справочниках-каталогах запасные части и детали не предлагаются к продаже, а носят исключительно информационный характер. В демо-версии артикулы (номера деталей) скрыты. Если вы хотите видеть полные оригинальные номера запчастей, вам необходимо зарегистрироваться на нашем сайте и приобрести подписку по интересующей вас конфигурации, после этого вы сможете встроить онлайн-каталоги на ваш сайт или пользоваться ими из личного кабинета нашего сайта. Обращаем ваше внимание на то, что каталоги содержат информацию об оригинальных заводских номерах и названиях запчастей. База по аналогам в данный момент не реализована. Поиска по VIN-номерам в онлайн-каталоге не предусмотрено. Выбор конкретного каталога осуществляется путем открытия нужного типа техники, марки, модели с учетом года выпуска или модификации.