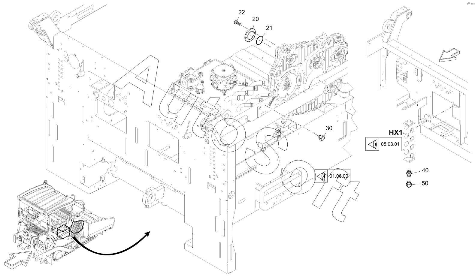
Каталог запасных частей к технике: VOGELE SUPER 1800-3 (2021). WITHOUT VENTILATION SYSTEM

20
21
22
30
40
50
Позиция на иллюстрации | Заводской номер детали | Название детали | |
---|---|---|---|
20 | 2***4 | LID | |
21 | 9***2 | O-RING SEAL | |
22 | 9***3 | SCREW | |
30 | 9***7 | SEALING PLUG | |
40 | 9***7 | SCREW | |
50 | 9***7 | FILLER CAP |
Содержащиеся в справочниках-каталогах запасные части и детали не предлагаются к продаже, а носят исключительно информационный характер. В демо-версии артикулы (номера деталей) скрыты. Если вы хотите видеть полные оригинальные номера запчастей, вам необходимо зарегистрироваться на нашем сайте и приобрести подписку по интересующей вас конфигурации, после этого вы сможете встроить онлайн-каталоги на ваш сайт или пользоваться ими из личного кабинета нашего сайта. Обращаем ваше внимание на то, что каталоги содержат информацию об оригинальных заводских номерах и названиях запчастей. База по аналогам в данный момент не реализована. Поиска по VIN-номерам в онлайн-каталоге не предусмотрено. Выбор конкретного каталога осуществляется путем открытия нужного типа техники, марки, модели с учетом года выпуска или модификации.