Каталог запасных частей к технике: VOGELE SUPER 1800-3 SJ (2021). SCREED LIFT-LOWER

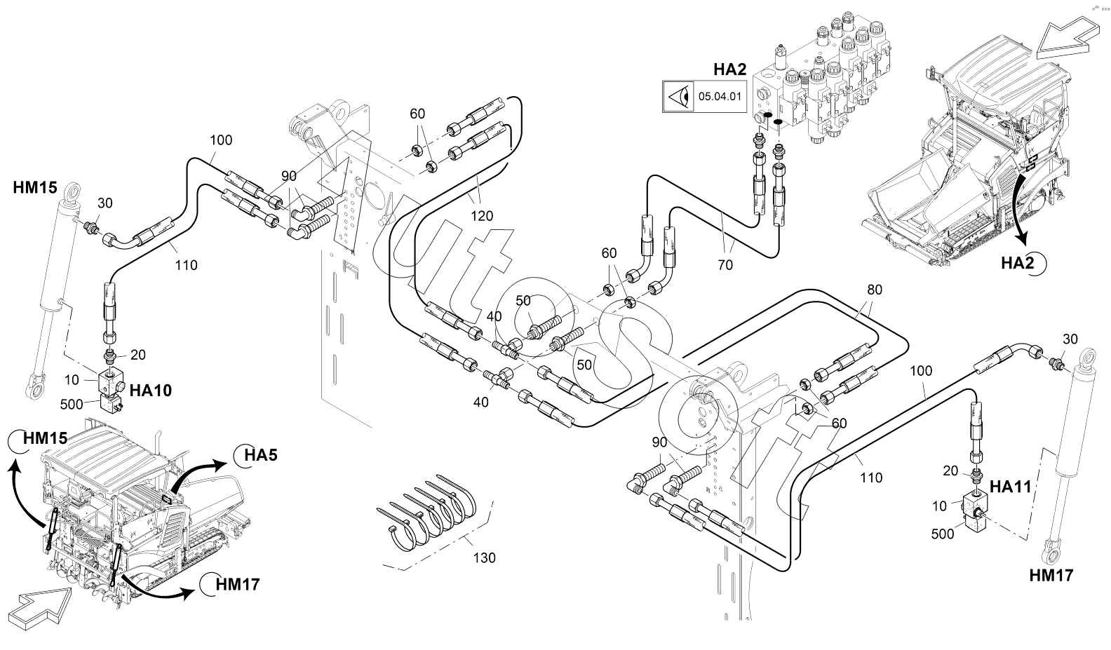
10
10
20
20
30
30
40
40
50
50
60
60
60
70
80
90
90
100
100
110
110
120
130
500
500
Позиция на иллюстрации | Заводской номер детали | Название детали | |
---|---|---|---|
10 | 2***5 | VALVE | |
20 | 9***7 | SCREW CONNECTION | |
30 | 9***7 | SCREW CONNECTION | |
40 | 9***7 | SCREW CONNECTION | |
50 | 9***0 | SCREW CONNECTION | |
60 | 9***0 | NUT | |
70 | 3***5 | HOSE | |
80 | 3***0 | HOSE | |
90 | 9***1 | SCREW CONNECTION | |
100 | 2***8 | HYDRAULIC HOSE | |
110 | 2***9 | HYDRAULIC HOSE | |
120 | 2***1 | HOSE | |
130 | 3***9 | CABLE TAPE | |
500 | 2***1 | DIRECTIONAL CONTROL VALVE |
Содержащиеся в справочниках-каталогах запасные части и детали не предлагаются к продаже, а носят исключительно информационный характер. В демо-версии артикулы (номера деталей) скрыты. Если вы хотите видеть полные оригинальные номера запчастей, вам необходимо зарегистрироваться на нашем сайте и приобрести подписку по интересующей вас конфигурации, после этого вы сможете встроить онлайн-каталоги на ваш сайт или пользоваться ими из личного кабинета нашего сайта. Обращаем ваше внимание на то, что каталоги содержат информацию об оригинальных заводских номерах и названиях запчастей. База по аналогам в данный момент не реализована. Поиска по VIN-номерам в онлайн-каталоге не предусмотрено. Выбор конкретного каталога осуществляется путем открытия нужного типа техники, марки, модели с учетом года выпуска или модификации.