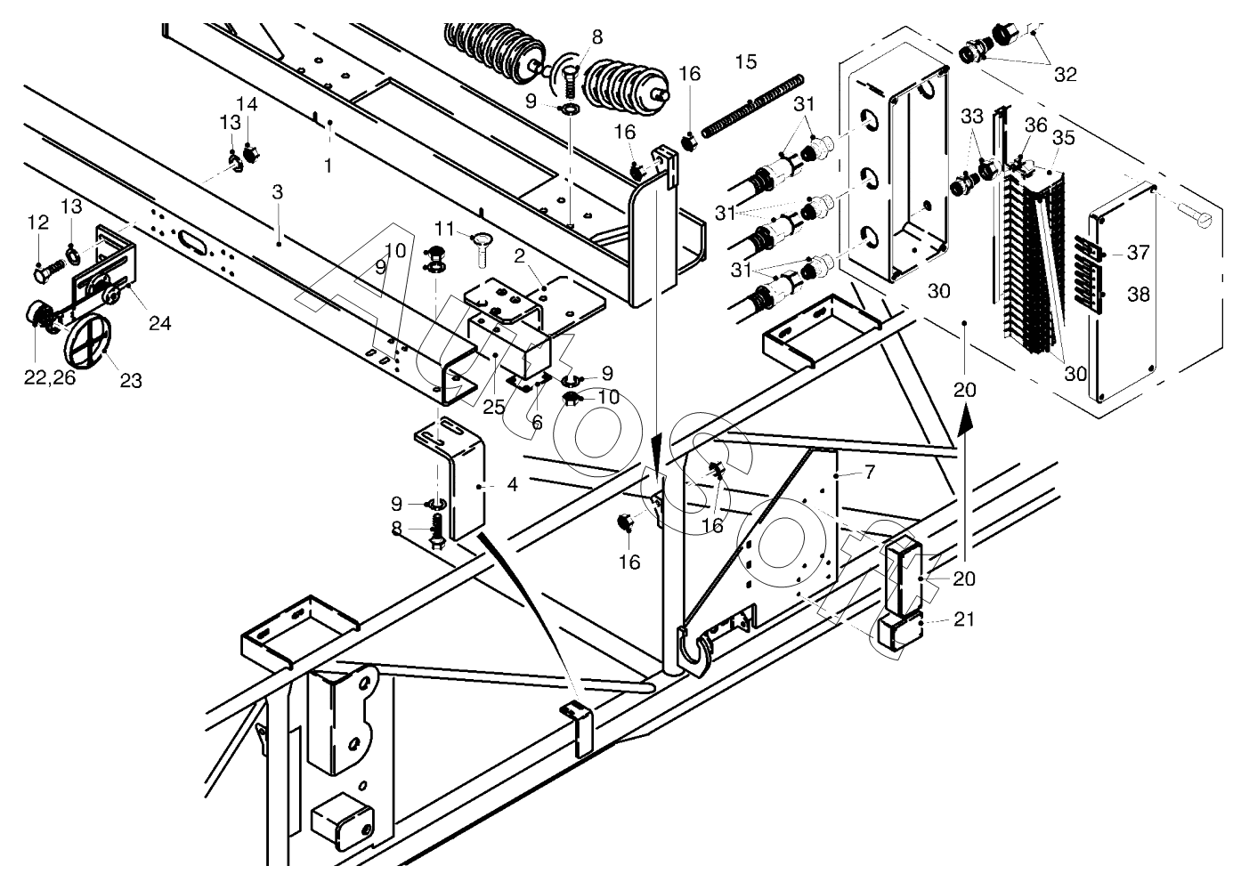
Каталог запасных частей к технике: WIRTGEN W2200 (2017). CONVEYOR SCALE

20
20
38
37
36
35
33
32
31
31
31
30
30
26
25
24
23
22
21
1
16
16
16
16
15
14
13
13
12
11
10
10
9
9
9
9
8
8
7
6
4
3
2
Позиция на иллюстрации | Заводской номер детали | Название детали | |
---|---|---|---|
1 | 1***9 | CONVEYOR SCALE | |
2 | 1***3 | BENT PART | |
3 | 1***9 | BENT PART | |
4 | 1***9 | BENT PART | |
6 | 1***4 | PLATE | |
7 | 1***3 | BURNT PART | |
8 | 4***0 | SCREW | |
9 | 5***4 | WASHER | |
10 | 5***8 | HEXAGON NUT | |
11 | 7***3 | SCREW | |
12 | 5***8 | SCREW | |
13 | 5***1 | WASHER | |
14 | 5***9 | HEXAGON NUT | |
15 | 1***1 | THREADED ROD | |
16 | 5***3 | HEXAGON NUT | |
20 | 1***7 | JUNCTION BOX | |
21 | 1***8 | SLOPE SENSOR | |
22 | 1***1 | ROTARY PULSE ENCODER | |
23 | 1***5 | DATA MEASURING | |
24 | 1***4 | SPRING ELEMENT | |
25 | 1***6 | WEIGHING UNIT | |
26 | 2***3 | PLUG 24V | |
30 | 1***0 | HOUSING | |
31 | 1***3 | CONNECTION ARMATURE | |
32 | 1***3 | CONNECTION ARMATURE | |
33 | 1***4 | CABLE JOINT | |
34 | 1***5 | SERIES TERMINAL | |
35 | 1***6 | END PLATE | |
36 | 2***3 | END STOP BRACKET | |
37 | 1***7 | JOINING ELEMENT | |
38 | 1***1 | JOINING ELEMENT |
Содержащиеся в справочниках-каталогах запасные части и детали не предлагаются к продаже, а носят исключительно информационный характер. В демо-версии артикулы (номера деталей) скрыты. Если вы хотите видеть полные оригинальные номера запчастей, вам необходимо зарегистрироваться на нашем сайте и приобрести подписку по интересующей вас конфигурации, после этого вы сможете встроить онлайн-каталоги на ваш сайт или пользоваться ими из личного кабинета нашего сайта. Обращаем ваше внимание на то, что каталоги содержат информацию об оригинальных заводских номерах и названиях запчастей. База по аналогам в данный момент не реализована. Поиска по VIN-номерам в онлайн-каталоге не предусмотрено. Выбор конкретного каталога осуществляется путем открытия нужного типа техники, марки, модели с учетом года выпуска или модификации.