Каталог запасных частей к технике: WIRTGEN W2200 (2017). DRIVE UNIT - BITUMEN PUMP I

37
26
27
28
28
29
30
31
32
33
34
35
36
25
38
39
43
44
45
46
47
48
48
49
50
51
13
2
3
4
5
5
6
7
8
8
9
9
10
10
11
12
1
14
15
16
16
17
18
19
20
21
21
22
23
23
24
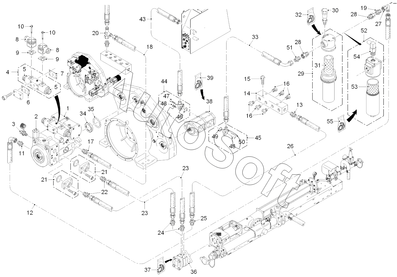
Позиция на иллюстрации | Заводской номер детали | Название детали | |
---|---|---|---|
1 | 1***5 | HYDRAULIC PUMP | |
2 | 9***4 | PRESSURE-RELIEF VALVE | |
3 | 4***3 | SCREWED JOINT | |
4 | 2***0 | AUTOMATIC CONTROLLER | |
5 | 1***8 | SOLENOID | |
6 | 3***4 | SEAL | |
7 | 3***5 | SEAL | |
8 | 1***7 | FEMALE PLUG | |
9 | 2***1 | SEAL | |
10 | 2***0 | KNURLED HEAD SCREW | |
11 | 9***7 | MALE STUD COUPLING | |
12 | 1***1 | HYDRAULIC HOSE | |
13 | 1***9 | MALE STUD COUPLING | |
14 | 9***2 | COLLECTIVE BLOCK | |
15 | 4***9 | SCREW | |
16 | 9***2 | SCREWED SEALING PLUG | |
17 | 2***4 | MALE STUD COUPLING | |
18 | 1***7 | HYDRAULIC HOSE | |
19 | 2***1 | MALE STUD COUPLING | |
20 | 1***4 | ADJ.MALE STUD TEE-STUD BARREL | |
21 | 6***8 | PUMP FLANGE | |
22 | 3***1 | MALE STUD COUPLING | |
23 | 1***8 | HYDRAULIC HOSE | |
24 | 3***7 | MALE STUD COUPLING | |
25 | 3***2 | MALE STUD COUPLING | |
26 | 2***4 | HYDRAULIC HOSE | |
27 | 1***6 | ADJUSTABLE MALE STUD ELBOW | |
28 | 3***3 | REDUCING ADAPTOR | |
29 | 3***4 | OIL FILTER | |
30 | 5***2 | DIFF.PRESS.SWITCH 28V DC | |
31 | 3***4 | HYDRAULIC OIL FILTER | |
32 | 3***3 | SET OF SEALS | |
33 | 5***2 | HYDRAULIC HOSE | |
34 | 8***8 | SHAFT SEAL | |
35 | 2***0 | O-RING SEAL | |
36 | 5***1 | HYDRAULIC MOTOR | |
37 | 7***6 | SET OF SEALS | |
38 | 2***2 | TANDEM PUMP | |
39 | 3***2 | SEALING KIT CPL. | |
43 | 4***1 | HYDRAULIC HOSE | |
44 | 1***2 | ANGLE FLANGE SCREWING | |
45 | 7***7 | ANGLE FLANGE SCREWING | |
46 | 1***4 | O-RING SEAL | |
47 | 6***2 | SCREW | |
48 | 1***5 | SCREW | |
49 | 1***7 | O-RING SEAL | |
50 | 6***8 | SCREW | |
51 | 3***4 | MALE STUD COUPLING |
Содержащиеся в справочниках-каталогах запасные части и детали не предлагаются к продаже, а носят исключительно информационный характер. В демо-версии артикулы (номера деталей) скрыты. Если вы хотите видеть полные оригинальные номера запчастей, вам необходимо зарегистрироваться на нашем сайте и приобрести подписку по интересующей вас конфигурации, после этого вы сможете встроить онлайн-каталоги на ваш сайт или пользоваться ими из личного кабинета нашего сайта. Обращаем ваше внимание на то, что каталоги содержат информацию об оригинальных заводских номерах и названиях запчастей. База по аналогам в данный момент не реализована. Поиска по VIN-номерам в онлайн-каталоге не предусмотрено. Выбор конкретного каталога осуществляется путем открытия нужного типа техники, марки, модели с учетом года выпуска или модификации.