Каталог запасных частей к технике: WIRTGEN 2200CR (2017). DRIVE - WATER PUMP

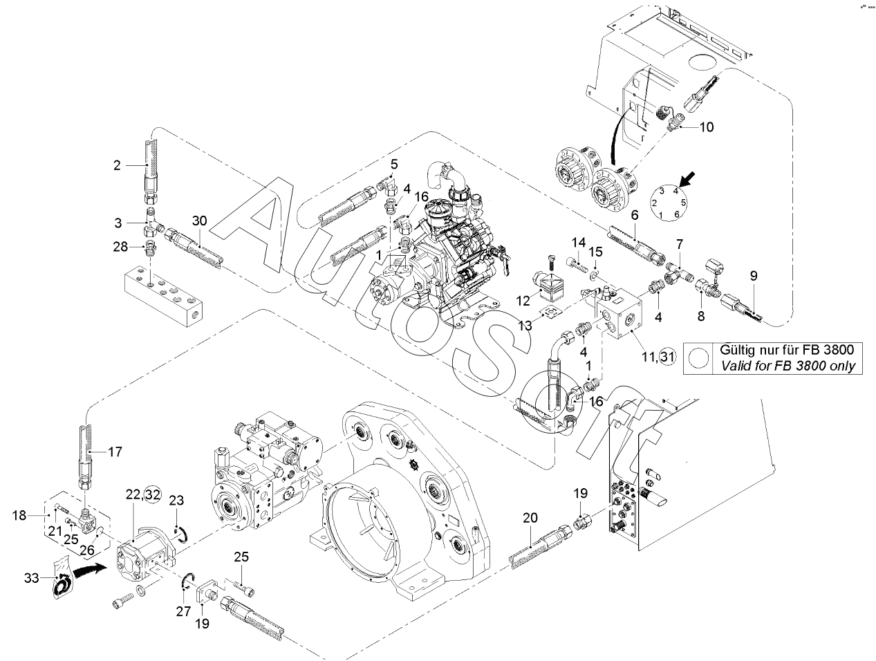
17
33
32
31
30
28
27
26
25
25
23
22
21
20
19
19
18
1
1
16
16
15
14
13
12
11
10
9
8
7
6
5
4
4
4
3
2
Позиция на иллюстрации | Заводской номер детали | Название детали | |
---|---|---|---|
1 | 2***6 | MALE STUD COUPLING | |
2 | 1***9 | HYDRAULIC HOSE | |
3 | 1***4 | ADJ.MALE STUD TEE-STUD BARREL | |
4 | 1***9 | MALE STUD COUPLING | |
5 | 3***8 | ADJUSTABLE MALE STUD ELBOW | |
6 | 5***7 | HYDRAULIC HOSE | |
7 | 1***7 | ADJUSTABLE EQUAL TEE | |
8 | 4***6 | MEASURING CONNECTOR | |
9 | 6***7 | MEASURING HOSE | |
10 | 4***3 | SCREWED JOINT | |
11 | 1***1 | FLOW REGULATOR VALVE | |
12 | 1***7 | FEMALE PLUG | |
13 | 2***1 | SEAL | |
14 | 6***4 | SCREW | |
15 | 5***0 | WASHER | |
16 | 1***6 | ADJUSTABLE MALE STUD ELBOW | |
17 | 4***3 | HYDRAULIC HOSE | |
18 | 7***7 | ANGLE FLANGE SCREWING | |
19 | 1***4 | STRAIGHT FLANGE COUPLING | |
20 | 1***9 | HYDRAULIC HOSE | |
21 | 6***8 | SCREW | |
22 | 1***2 | HYDRAULIC PUMP | |
23 | 2***4 | O-RING SEAL | |
25 | 1***5 | SCREW | |
26 | 1***7 | O-RING SEAL | |
27 | 1***4 | O-RING SEAL | |
28 | 2***1 | MALE STUD COUPLING | |
29 | 2***3 | REDUCING COUPLING | |
30 | 1***8 | HYDRAULIC HOSE | |
31 | 2***4 | FLOW REGULATOR VALVE | |
32 | 2***6 | HYDRAULIC PUMP | |
33 | 2***5 | SET OF SEALS |
Содержащиеся в справочниках-каталогах запасные части и детали не предлагаются к продаже, а носят исключительно информационный характер. В демо-версии артикулы (номера деталей) скрыты. Если вы хотите видеть полные оригинальные номера запчастей, вам необходимо зарегистрироваться на нашем сайте и приобрести подписку по интересующей вас конфигурации, после этого вы сможете встроить онлайн-каталоги на ваш сайт или пользоваться ими из личного кабинета нашего сайта. Обращаем ваше внимание на то, что каталоги содержат информацию об оригинальных заводских номерах и названиях запчастей. База по аналогам в данный момент не реализована. Поиска по VIN-номерам в онлайн-каталоге не предусмотрено. Выбор конкретного каталога осуществляется путем открытия нужного типа техники, марки, модели с учетом года выпуска или модификации.