Каталог запасных частей к технике: WIRTGEN 2200SM (2017). ADVANCE DRIVE

33
23
24
26
26
27
27
28
28
29
29
30
30
31
32
22
34
34
35
36
37
38
39
40
41
42
12
2
3
4
5
6
7
7
8
9
9
10
11
1
13
14
14
15
15
16
17
18
19
20
21
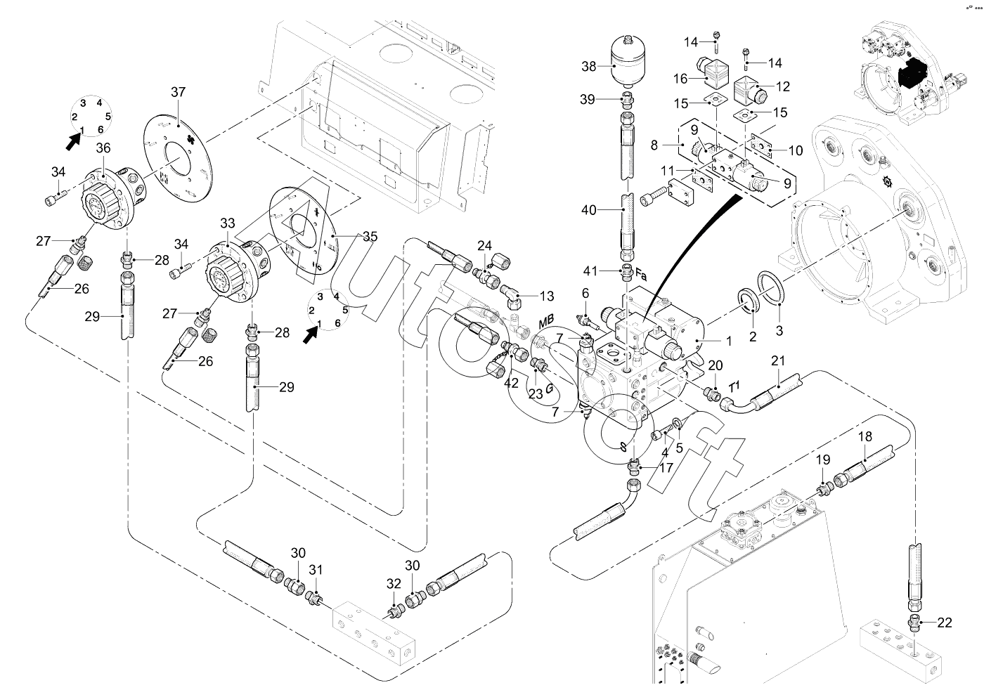
Позиция на иллюстрации | Заводской номер детали | Название детали | |
---|---|---|---|
1 | 1***6 | HYDRAULIC PUMP | |
2 | 9***2 | SHAFT SEAL | |
3 | 2***1 | O-RING SEAL | |
4 | 4***9 | SCREW | |
5 | 4***3 | WASHER | |
6 | 8***5 | FEEDING PRESSURE VALVE | |
7 | 4***9 | PRESSURE-RELIEF VALVE | |
8 | 1***9 | AUTOMATIC CONTROLLER | |
9 | 1***8 | SOLENOID | |
10 | 3***5 | SEAL | |
11 | 3***4 | SEAL | |
12 | 1***7 | FEMALE PLUG | |
13 | 1***5 | ADJUSTABLE MALE STUD ELBOW | |
14 | 2***0 | KNURLED HEAD SCREW | |
15 | 2***1 | SEAL | |
16 | 1***7 | FEMALE PLUG | |
17 | 4***2 | MALE STUD COUPLING | |
18 | 3***7 | HYDRAULIC HOSE | |
19 | 2***2 | MALE STUD COUPLING | |
20 | 4***4 | MALE STUD COUPLING | |
21 | 1***3 | HYDRAULIC HOSE | |
22 | 2***8 | MALE STUD COUPLING | |
23 | 7***3 | MALE STUD COUPLING | |
24 | 1***8 | MEASURING CONNECTOR | |
25 | 1***1 | ADJ.MALE STUD TEE-STUD BARREL | |
26 | 1***2 | MEASURING HOSE | |
27 | 4***3 | SCREWED JOINT | |
28 | 5***0 | MALE STUD COUPLING | |
29 | 4***7 | HYDRAULIC HOSE | |
30 | 5***7 | REDUCING COUPLING | |
31 | 3***7 | MALE STUD COUPLING | |
32 | 3***4 | MALE STUD COUPLING | |
33 | 1***5 | MANOMETER SELECTOR DIAL | |
34 | 6***4 | SCREW | |
35 | 1***2 | INSTRUMENT BOARD | |
36 | 7***7 | MANOMETER SELECTOR DIAL | |
37 | 1***0 | INSTRUMENT BOARD | |
38 | 3***2 | DIAPHRAGM ACCUMULATOR | |
39 | 1***3 | MALE STUD COUPLING | |
40 | 1***8 | HYDRAULIC HOSE | |
41 | 2***3 | MALE STUD COUPLING | |
42 | 1***7 | MEASURING CONNECTOR |
Содержащиеся в справочниках-каталогах запасные части и детали не предлагаются к продаже, а носят исключительно информационный характер. В демо-версии артикулы (номера деталей) скрыты. Если вы хотите видеть полные оригинальные номера запчастей, вам необходимо зарегистрироваться на нашем сайте и приобрести подписку по интересующей вас конфигурации, после этого вы сможете встроить онлайн-каталоги на ваш сайт или пользоваться ими из личного кабинета нашего сайта. Обращаем ваше внимание на то, что каталоги содержат информацию об оригинальных заводских номерах и названиях запчастей. База по аналогам в данный момент не реализована. Поиска по VIN-номерам в онлайн-каталоге не предусмотрено. Выбор конкретного каталога осуществляется путем открытия нужного типа техники, марки, модели с учетом года выпуска или модификации.