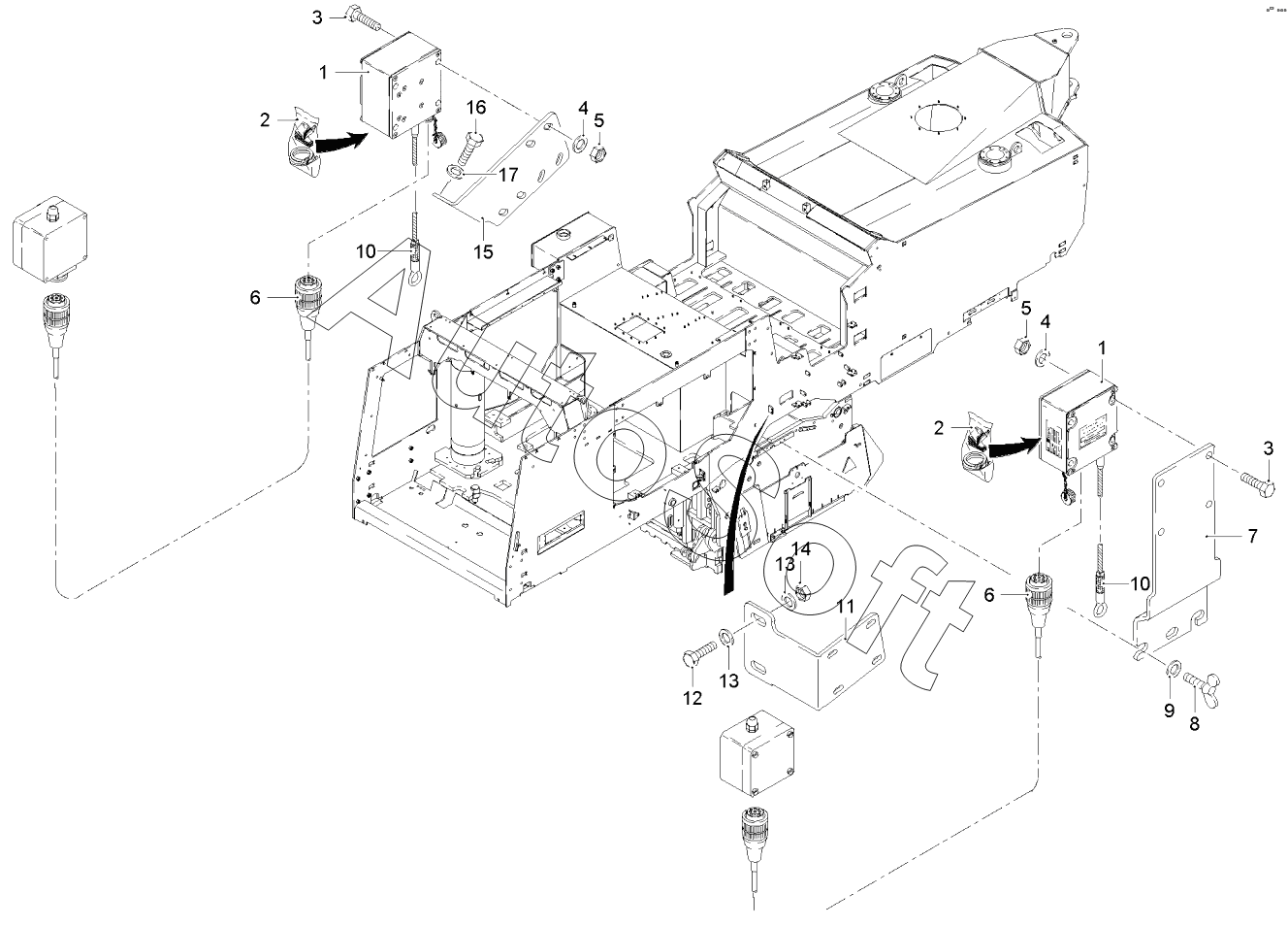
Каталог запасных частей к технике: WIRTGEN 2200SM (2017). CABLE SENSOR

9
17
16
15
14
13
13
12
11
10
10
1
1
8
7
6
6
5
5
4
4
3
3
2
2
Позиция на иллюстрации | Заводской номер детали | Название детали | |
---|---|---|---|
1 | 2***1 | TRACER IV | |
2 | 2***1 | WIRE ROPE EXCHANGE SET IV | |
3 | 4***4 | SCREW | |
4 | 5***6 | WASHER | |
5 | 5***0 | HEXAGON NUT | |
6 | 9***6 | SENSOR CABLE (7-POLAR) | |
7 | 1***1 | HOLDER | |
8 | 9***0 | SCREW | |
9 | 5***5 | WASHER | |
10 | 7***3 | WIRE ROPE BRACKET | |
11 | 1***4 | HOLDER | |
12 | 4***6 | SCREW | |
13 | 3***4 | WASHER | |
14 | 5***2 | HEXAGON NUT | |
15 | 2***3 | HOLDER | |
16 | 4***0 | SCREW | |
17 | 5***7 | WASHER |
Содержащиеся в справочниках-каталогах запасные части и детали не предлагаются к продаже, а носят исключительно информационный характер. В демо-версии артикулы (номера деталей) скрыты. Если вы хотите видеть полные оригинальные номера запчастей, вам необходимо зарегистрироваться на нашем сайте и приобрести подписку по интересующей вас конфигурации, после этого вы сможете встроить онлайн-каталоги на ваш сайт или пользоваться ими из личного кабинета нашего сайта. Обращаем ваше внимание на то, что каталоги содержат информацию об оригинальных заводских номерах и названиях запчастей. База по аналогам в данный момент не реализована. Поиска по VIN-номерам в онлайн-каталоге не предусмотрено. Выбор конкретного каталога осуществляется путем открытия нужного типа техники, марки, модели с учетом года выпуска или модификации.