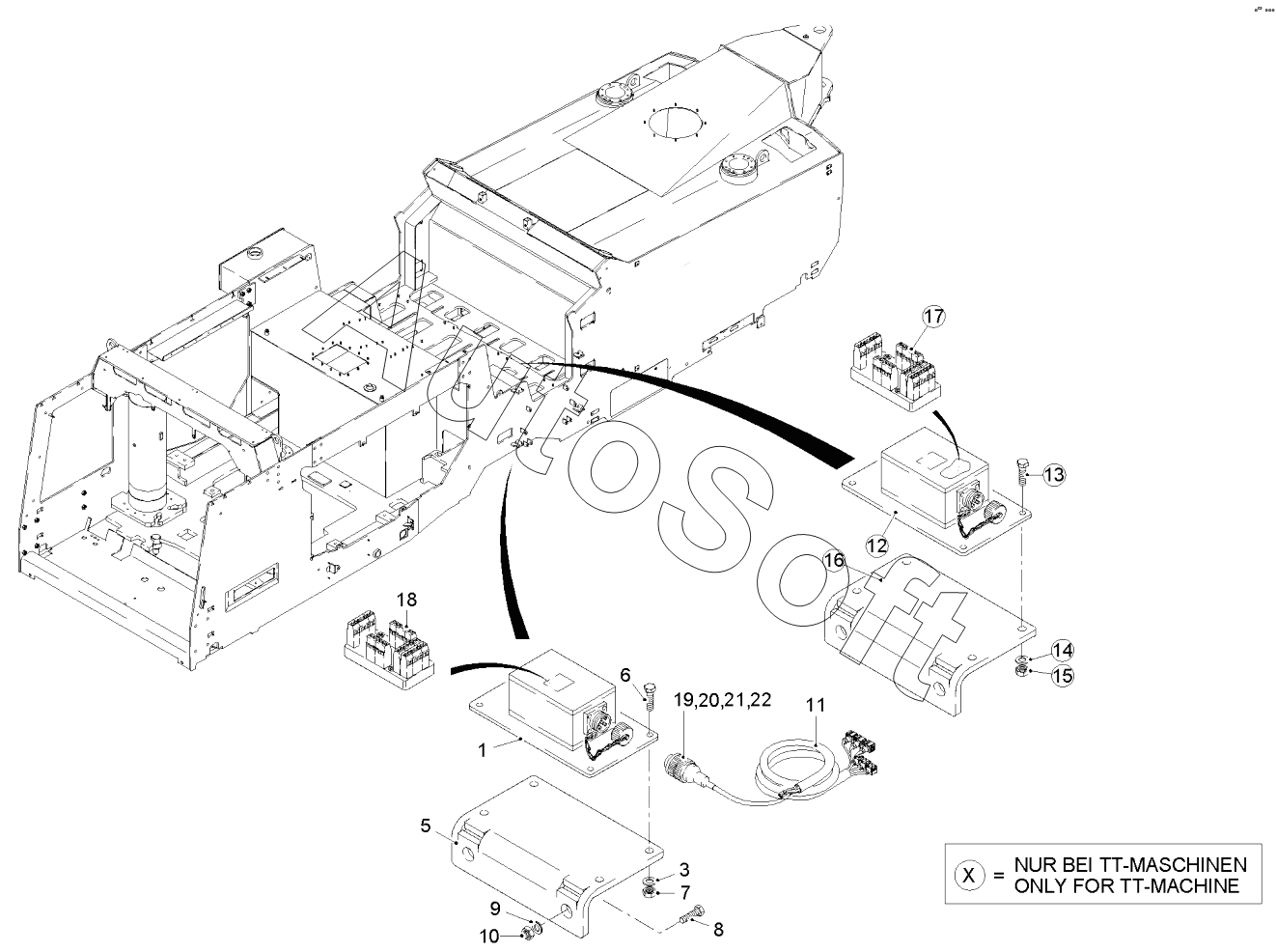
Каталог запасных частей к технике: WIRTGEN 2200SM (2017). LATERAL TILT

13
22
21
20
19
18
17
16
15
14
1
12
10
9
8
7
6
5
3
Позиция на иллюстрации | Заводской номер детали | Название детали | |
---|---|---|---|
1 | 1***9 | SLOPE SENSOR FLUID | |
3 | 5***6 | WASHER | |
5 | 1***9 | HOLDER | |
6 | 4***1 | SCREW | |
7 | 1***7 | HEXAGON NUT | |
8 | 4***1 | SCREW | |
9 | 5***1 | WASHER | |
10 | 5***1 | HEXAGON NUT | |
12 | 1***9 | SLOPE SENSOR FLUID | |
13 | 4***1 | SCREW | |
14 | 5***6 | WASHER | |
15 | 1***7 | HEXAGON NUT | |
16 | 1***7 | HOLDER | |
17 | 1***1 | CHANGE PLATINE | |
18 | 1***1 | CHANGE PLATINE | |
19 | 1***1 | PLUG | |
20 | 1***4 | REDUCING RING | |
21 | 2***9 | CABLE JOINT | |
22 | 1***5 | DUST CAP |
Содержащиеся в справочниках-каталогах запасные части и детали не предлагаются к продаже, а носят исключительно информационный характер. В демо-версии артикулы (номера деталей) скрыты. Если вы хотите видеть полные оригинальные номера запчастей, вам необходимо зарегистрироваться на нашем сайте и приобрести подписку по интересующей вас конфигурации, после этого вы сможете встроить онлайн-каталоги на ваш сайт или пользоваться ими из личного кабинета нашего сайта. Обращаем ваше внимание на то, что каталоги содержат информацию об оригинальных заводских номерах и названиях запчастей. База по аналогам в данный момент не реализована. Поиска по VIN-номерам в онлайн-каталоге не предусмотрено. Выбор конкретного каталога осуществляется путем открытия нужного типа техники, марки, модели с учетом года выпуска или модификации.