Каталог запасных частей к технике: WIRTGEN 2200SM (2017). SPREADER AUGER

47
33
33
34
34
35
35
36
36
37
37
38
38
39
40
41
41
42
42
43
44
44
45
46
32
48
49
51
52
53
55
56
57
58
59
60
60
61
61
62
62
63
63
17
2
3
4
5
5
6
6
8
9
9
10
11
12
13
14
15
15
16
16
16
16
16
1
18
19
19
20
20
21
21
22
22
23
23
24
24
25
26
27
28
29
30
31
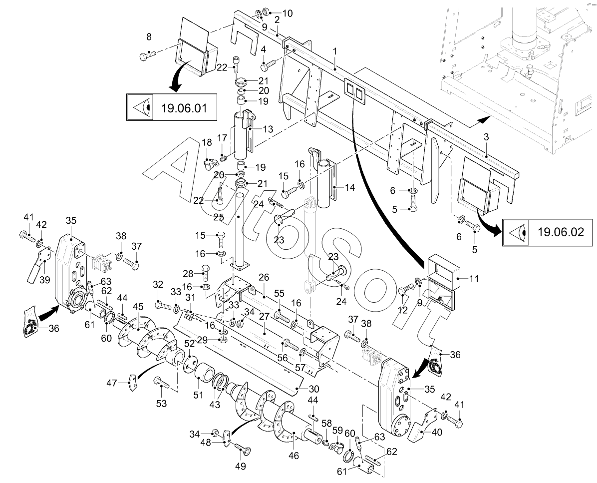
Позиция на иллюстрации | Заводской номер детали | Название детали | |
---|---|---|---|
1 | 1***0 | HOLDER | |
2 | 1***1 | HOLDER | |
3 | 1***7 | HOLDER | |
4 | 1***9 | SCREW | |
5 | 4***6 | SCREW | |
6 | 2***8 | WASHER | |
8 | 4***9 | SCREW | |
9 | 5***8 | WASHER | |
10 | 5***0 | HEXAGON NUT | |
11 | 1***2 | ELECTRICAL CABINET PRE-DRILLED | |
12 | 4***7 | SCREW | |
13 | 4***9 | GUIDE TUBE | |
14 | 4***6 | GUIDE TUBE | |
15 | 4***0 | SCREW | |
16 | 3***6 | WASHER | |
17 | 8***1 | GREASING NIPPLE | |
18 | 1***1 | CAP | |
19 | 3***0 | BUSHING | |
20 | 7***5 | SCRAPER | |
21 | 2***2 | LID | |
22 | 6***5 | SCREW | |
23 | 8***9 | BOLT | |
24 | 9***1 | SPLIT PIN | |
25 | 4***5 | GUIDE PILLAR | |
26 | 1***3 | CROSS-TRAVERSE | |
27 | 1***3 | COVER | |
28 | 4***4 | SCREW | |
29 | 5***4 | HEXAGON NUT | |
30 | 1***6 | FLAP | |
31 | 4***3 | HINGE | |
32 | 4***4 | SCREW | |
33 | 5***8 | WASHER | |
34 | 5***8 | HEXAGON NUT | |
35 | 5***6 | GEARBOX | |
36 | 6***3 | SET OF SEALS | |
37 | 5***1 | SCREW | |
38 | 5***5 | WASHER | |
39 | 1***4 | SUPPORTING SURFACE | |
40 | 1***5 | SUPPORTING SURFACE | |
41 | 4***9 | SCREW | |
42 | 5***9 | WASHER | |
43 | 8***4 | O-RING SEAL | |
44 | 3***1 | FEATHER KEY | |
45 | 4***5 | SPREADER AUGER, LEFT | |
46 | 4***4 | SPREADER AUGER, RIGHT | |
47 | 1***6 | AUGER COATING | |
48 | 1***7 | AUGER COATING | |
49 | 2***9 | SCREW | |
51 | 4***6 | BUSHING | |
52 | 4***7 | WASHER | |
53 | 4***9 | SCREW | |
55 | 4***4 | SCREW | |
56 | 4***1 | SCREW | |
57 | 5***9 | WASHER | |
58 | 1***5 | GREASING NIPPLE | |
59 | 1***1 | CAP | |
60 | 3***5 | DISTANCE RING | |
61 | 3***0 | SLEEVE | |
62 | 1***4 | FEATHER KEY | |
63 | 2***3 | THREADED PIN |
Содержащиеся в справочниках-каталогах запасные части и детали не предлагаются к продаже, а носят исключительно информационный характер. В демо-версии артикулы (номера деталей) скрыты. Если вы хотите видеть полные оригинальные номера запчастей, вам необходимо зарегистрироваться на нашем сайте и приобрести подписку по интересующей вас конфигурации, после этого вы сможете встроить онлайн-каталоги на ваш сайт или пользоваться ими из личного кабинета нашего сайта. Обращаем ваше внимание на то, что каталоги содержат информацию об оригинальных заводских номерах и названиях запчастей. База по аналогам в данный момент не реализована. Поиска по VIN-номерам в онлайн-каталоге не предусмотрено. Выбор конкретного каталога осуществляется путем открытия нужного типа техники, марки, модели с учетом года выпуска или модификации.