Каталог запасных частей к технике: WIRTGEN WR 240i (2023). DIESEL FILLER PUMP

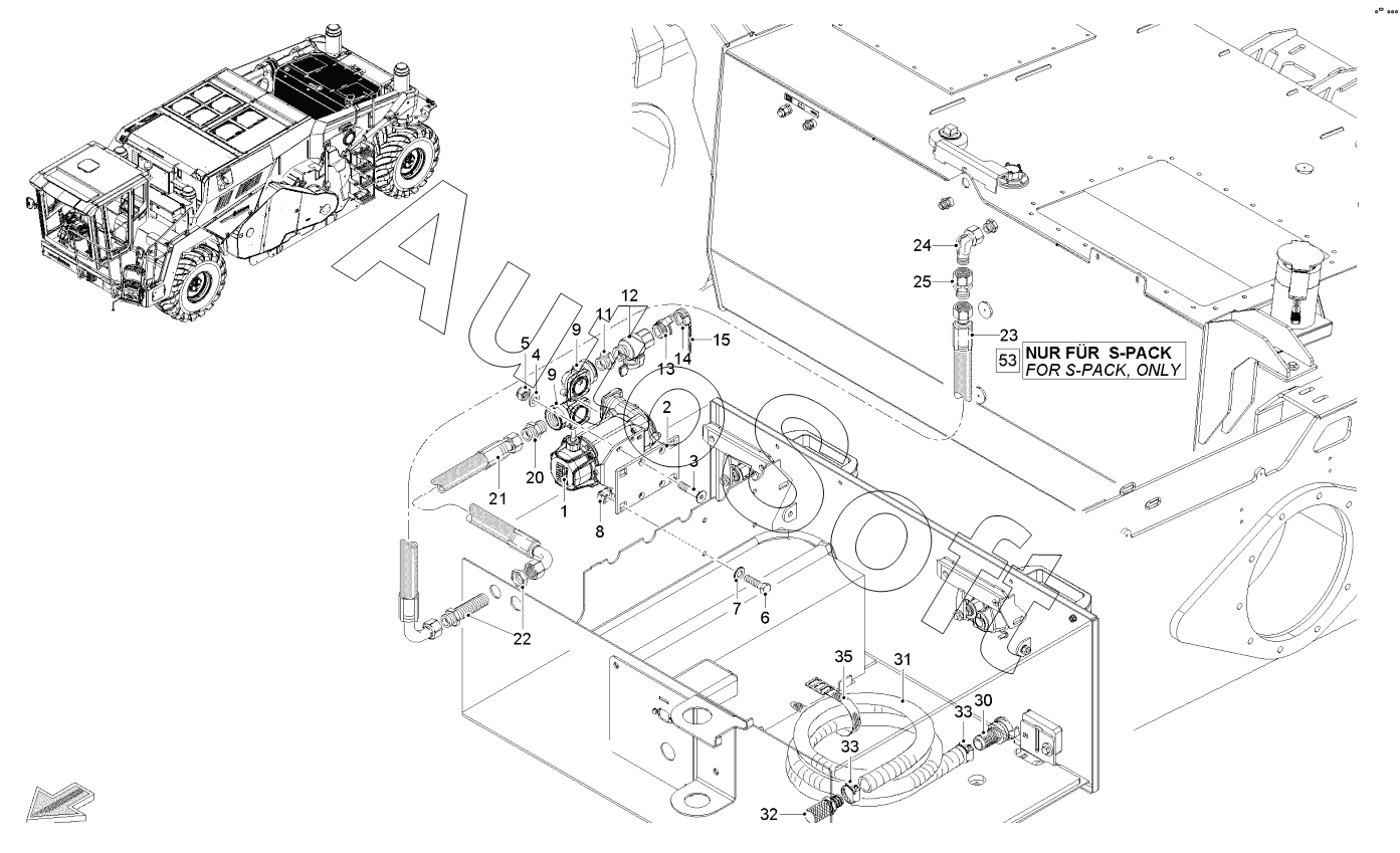
15
53
35
33
33
32
31
30
25
24
23
22
21
20
1
14
13
12
11
9
9
8
7
6
5
4
3
2
Позиция на иллюстрации | Заводской номер детали | Название детали | |
---|---|---|---|
1 | 2***2 | BYPASS: FUEL PUMP | |
2 | 2***2 | ADAPTER PLATE | |
3 | 1***6 | SCREW | |
4 | 5***0 | WASHER | |
5 | 4***5 | HEXAGON NUT | |
6 | 4***9 | SCREW | |
7 | 5***6 | WASHER | |
8 | 2***4 | NUT | |
9 | 2***9 | ANGLE | |
11 | 3***7 | REDUCING ADAPTOR | |
12 | 2***6 | BALL VALVE | |
13 | 4***1 | THREAD PIECE | |
14 | 4***2 | COUPLING | |
15 | 5***2 | CHAIN | |
20 | 1***1 | MALE STUD COUPLING | |
21 | 2***9 | HYDRAULIC HOSE | |
22 | 3***6 | BULKHEAD COUPLING | |
23 | 4***9 | HYDRAULIC HOSE | |
24 | 3***6 | ADJUSTABLE MALE STUD ELBOW | |
25 | 5***0 | REDUCING COUPLING | |
30 | 4***0 | HOSE PART | |
31 | 1***9 | PVC HOSE | |
32 | 4***3 | SUCTION BASKET | |
33 | 3***9 | HOSE CLAMP | |
35 | 1***6 | TENSIONER BELT | |
53 | 4***4 | HYDRAULIC HOSE |
Содержащиеся в справочниках-каталогах запасные части и детали не предлагаются к продаже, а носят исключительно информационный характер. В демо-версии артикулы (номера деталей) скрыты. Если вы хотите видеть полные оригинальные номера запчастей, вам необходимо зарегистрироваться на нашем сайте и приобрести подписку по интересующей вас конфигурации, после этого вы сможете встроить онлайн-каталоги на ваш сайт или пользоваться ими из личного кабинета нашего сайта. Обращаем ваше внимание на то, что каталоги содержат информацию об оригинальных заводских номерах и названиях запчастей. База по аналогам в данный момент не реализована. Поиска по VIN-номерам в онлайн-каталоге не предусмотрено. Выбор конкретного каталога осуществляется путем открытия нужного типа техники, марки, модели с учетом года выпуска или модификации.