Каталог запасных частей к технике: WIRTGEN WR 240i (2023). BINDER CONTAINER

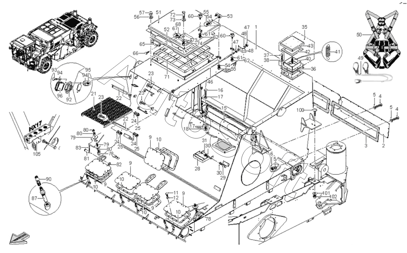
61
61
73
73
72
71
68
67
66
65
62
62
74
60
60
57
56
55
55
54
54
53
52
51
92
105
102
101
100
96
95
94
94
93
50
90
87
83
82
81
80
80
80
79
79
78
78
12
24
24
24
23
23
23
22
22
21
18
17
17
16
15
25
25
25
11
10
10
10
10
10
9
9
9
9
9
6
5
5
5
4
4
3
2
38
49
48
48
47
47
46
43
42
41
40
1
37
36
35
31
30
30
29
28
Позиция на иллюстрации | Заводской номер детали | Название детали | |
---|---|---|---|
1 | 2***4 | RESERVOIR | |
2 | 2***1 | LID | |
3 | 2***2 | SEALING | |
4 | 4***0 | SCREW | |
5 | 5***6 | WASHER | |
6 | 1***7 | HEXAGON NUT | |
9 | 1***1 | BURNT PART | |
10 | 2***8 | RUBBER SEAL | |
11 | 4***8 | SCREW | |
12 | 5***4 | WASHER | |
15 | 2***0 | FILLER SECTION | |
16 | 4***9 | SCREW | |
17 | 5***6 | WASHER | |
18 | 1***7 | HEXAGON NUT | |
21 | 2***0 | FOOT-BOARD | |
22 | 2***3 | BRACE | |
23 | 1***3 | SCREW | |
24 | 5***6 | WASHER | |
25 | 1***7 | HEXAGON NUT | |
28 | 2***6 | STEP | |
29 | 4***0 | SCREW | |
30 | 5***6 | WASHER | |
31 | 1***7 | HEXAGON NUT | |
35 | 2***8 | FLAP | |
36 | 2***7 | RUBBER SEAL | |
37 | 4***7 | SCREW | |
38 | 5***4 | WASHER | |
40 | 2***7 | FRAME | |
41 | 2***4 | TENSION SPRING | |
42 | 2***4 | RUBBER SEAL | |
43 | 2***9 | LID | |
46 | 2***2 | WIRE ROPE | |
47 | 5***1 | WASHER | |
48 | 5***4 | HEXAGON NUT | |
49 | 2***2 | GIRTH | |
50 | 2***5 | GIRTH | |
51 | 2***9 | BENT PART | |
52 | 2***8 | SEALING RUBBER | |
53 | 2***8 | HINGE | |
54 | 5***6 | WASHER | |
55 | 1***7 | HEXAGON NUT | |
56 | 3***4 | WASHER | |
57 | 6***7 | CAP NUT | |
60 | 2***9 | RUBBER BUFFER | |
61 | 5***0 | WASHER | |
62 | 5***0 | HEXAGON NUT | |
65 | 5***0 | PLASTIC HANDLE | |
66 | 5***2 | SCREW | |
67 | 5***0 | WASHER | |
68 | 4***5 | HEXAGON NUT | |
71 | 2***8 | FLAT GRID | |
72 | 4***2 | SCREW | |
73 | 5***7 | WASHER | |
74 | 6***3 | CAP NUT | |
78 | 2***0 | MOUNTING | |
79 | 2***1 | WASHER | |
80 | 3***5 | HEXAGONAL NUT | |
81 | 3***1 | BOLT | |
82 | 4***5 | WASHER | |
83 | 9***1 | SPLIT PIN | |
87 | 2***0 | LEVEL SENSOR | |
90 | 2***2 | PLUG | |
92 | 2***3 | CONNECTOR SHELL 24V | |
93 | 5***2 | SCREW | |
94 | 5***0 | WASHER | |
95 | 4***5 | HEXAGON NUT | |
96 | 2***0 | PLUG | |
100 | 1***2 | SCREW | |
101 | 3***4 | WASHER | |
102 | 5***2 | HEXAGON NUT | |
105 | 2***7 | BULKHEAD PLATE |
Содержащиеся в справочниках-каталогах запасные части и детали не предлагаются к продаже, а носят исключительно информационный характер. В демо-версии артикулы (номера деталей) скрыты. Если вы хотите видеть полные оригинальные номера запчастей, вам необходимо зарегистрироваться на нашем сайте и приобрести подписку по интересующей вас конфигурации, после этого вы сможете встроить онлайн-каталоги на ваш сайт или пользоваться ими из личного кабинета нашего сайта. Обращаем ваше внимание на то, что каталоги содержат информацию об оригинальных заводских номерах и названиях запчастей. База по аналогам в данный момент не реализована. Поиска по VIN-номерам в онлайн-каталоге не предусмотрено. Выбор конкретного каталога осуществляется путем открытия нужного типа техники, марки, модели с учетом года выпуска или модификации.