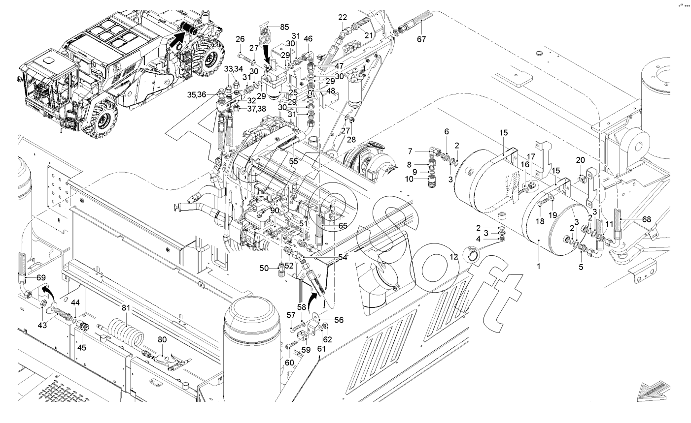
Каталог запасных частей к технике: WIRTGEN WR 240i (2023). COMPRESSED AIR SYSTEM

56
36
37
38
43
44
45
46
47
48
50
51
52
54
55
35
57
58
59
60
61
62
65
67
68
69
80
81
85
90
18
2
2
2
2
3
3
3
3
4
5
6
7
8
9
10
11
12
15
15
16
17
1
19
20
21
22
25
26
27
27
28
29
29
29
29
30
30
30
30
31
31
31
32
33
34
Позиция на иллюстрации | Заводской номер детали | Название детали | |
---|---|---|---|
1 | 1***2 | AIR TANK | |
2 | 1***8 | O-RING SEAL | |
3 | 1***3 | SEALING RING | |
4 | 1***4 | DRAIN VALVE | |
5 | 3***5 | MALE STUD COUPLING | |
6 | 3***7 | MALE STUD COUPLING | |
7 | 3***8 | ADJUSTABLE MALE STUD ELBOW | |
8 | 9***0 | STUD STANDPIPE ADAPTOR | |
9 | 2***0 | O-RING SEAL | |
10 | 1***0 | HOSE COUPLING | |
11 | 2***4 | MALE STUD COUPLING | |
12 | 4***0 | KEY-RING | |
15 | 1***8 | SUPPORT | |
16 | 5***5 | WASHER | |
17 | 5***3 | HEXAGON NUT | |
18 | 4***9 | SCREW | |
19 | 5***8 | WASHER | |
20 | 2***8 | NUT | |
21 | 2***4 | BULKHEAD COUPLING | |
22 | 1***3 | ADJUSTABLE MALE STUD ELBOW | |
25 | 6***7 | DEFROSTER | |
26 | 4***3 | SCREW | |
27 | 5***6 | WASHER | |
28 | 1***7 | HEXAGON NUT | |
29 | 1***8 | O-RING SEAL | |
30 | 1***3 | SEALING RING | |
31 | 2***4 | MALE STUD COUPLING | |
32 | 2***4 | DISTRIBUTOR | |
33 | 5***1 | DUMMY PLUG | |
34 | 3***6 | CAP NUT | |
35 | 3***8 | DUMMY PLUG | |
36 | 3***7 | CAP NUT | |
37 | 5***8 | DUMMY PLUG | |
38 | 5***0 | CAP NUT | |
43 | 2***4 | BULKHEAD ADAPTER | |
44 | 2***0 | O-RING SEAL | |
45 | 1***0 | HOSE COUPLING | |
46 | 1***6 | ADJUSTABLE MALE STUD ELBOW | |
47 | 4***6 | STUD STANDPIPE ADAPTOR | |
48 | 6***6 | NON-RETURN VALVE | |
50 | 1***1 | BREATHER FILTER | |
51 | 1***4 | MALE STUD COUPLING | |
52 | 2***9 | MALE STUD COUPLING | |
54 | 1***9 | ADJUSTABLE MALE STUD ELBOW | |
55 | 3***0 | FLEXIBLE STEEL HOSE | |
56 | 2***7 | HOLDER | |
57 | 4***7 | SCREW | |
58 | 5***4 | WASHER | |
59 | 2***2 | PIPE CLIP | |
60 | 1***7 | SCREW | |
61 | 6***7 | WASHER | |
62 | 4***5 | HEXAGON NUT | |
65 | 2***8 | HYDRAULIC HOSE | |
67 | 2***2 | HYDRAULIC HOSE | |
68 | 2***5 | HYDRAULIC HOSE | |
69 | 8***8 | HYDRAULIC HOSE | |
80 | 1***3 | SPRAY GUN | |
81 | 2***2 | SPIRAL HOSE | |
85 | 3***7 | REPAIR SET | |
90 | 2***5 | PRESSURE GOVERNOR |
Содержащиеся в справочниках-каталогах запасные части и детали не предлагаются к продаже, а носят исключительно информационный характер. В демо-версии артикулы (номера деталей) скрыты. Если вы хотите видеть полные оригинальные номера запчастей, вам необходимо зарегистрироваться на нашем сайте и приобрести подписку по интересующей вас конфигурации, после этого вы сможете встроить онлайн-каталоги на ваш сайт или пользоваться ими из личного кабинета нашего сайта. Обращаем ваше внимание на то, что каталоги содержат информацию об оригинальных заводских номерах и названиях запчастей. База по аналогам в данный момент не реализована. Поиска по VIN-номерам в онлайн-каталоге не предусмотрено. Выбор конкретного каталога осуществляется путем открытия нужного типа техники, марки, модели с учетом года выпуска или модификации.