Каталог запасных частей к технике: WIRTGEN WR 240i (2023). EDGE PROTECTION

1
2
3
4
5
6
7
7
7
7
8
8
8
8
9
9
10
10
11
11
12
12
13
13
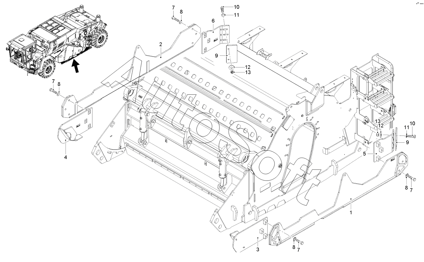
Позиция на иллюстрации | Заводской номер детали | Название детали | |
---|---|---|---|
1 | 2***4 | SIDE PLATE CPL. | |
2 | 2***0 | SIDE PLATE RIGHT | |
3 | 2***1 | SIDE PLATE EXTENTION | |
4 | 2***3 | SIDE PLATE EXTENTION | |
5 | 2***8 | SIDE PLATE EXTENTION | |
6 | 2***7 | SIDE PLATE EXTENTION | |
7 | 4***3 | SCREW | |
8 | 5***8 | WASHER | |
9 | 2***1 | EXTENSION | |
10 | 5***2 | SCREW | |
11 | 5***1 | WASHER | |
12 | 3***6 | WASHER | |
13 | 5***1 | HEXAGON NUT |
Содержащиеся в справочниках-каталогах запасные части и детали не предлагаются к продаже, а носят исключительно информационный характер. В демо-версии артикулы (номера деталей) скрыты. Если вы хотите видеть полные оригинальные номера запчастей, вам необходимо зарегистрироваться на нашем сайте и приобрести подписку по интересующей вас конфигурации, после этого вы сможете встроить онлайн-каталоги на ваш сайт или пользоваться ими из личного кабинета нашего сайта. Обращаем ваше внимание на то, что каталоги содержат информацию об оригинальных заводских номерах и названиях запчастей. База по аналогам в данный момент не реализована. Поиска по VIN-номерам в онлайн-каталоге не предусмотрено. Выбор конкретного каталога осуществляется путем открытия нужного типа техники, марки, модели с учетом года выпуска или модификации.