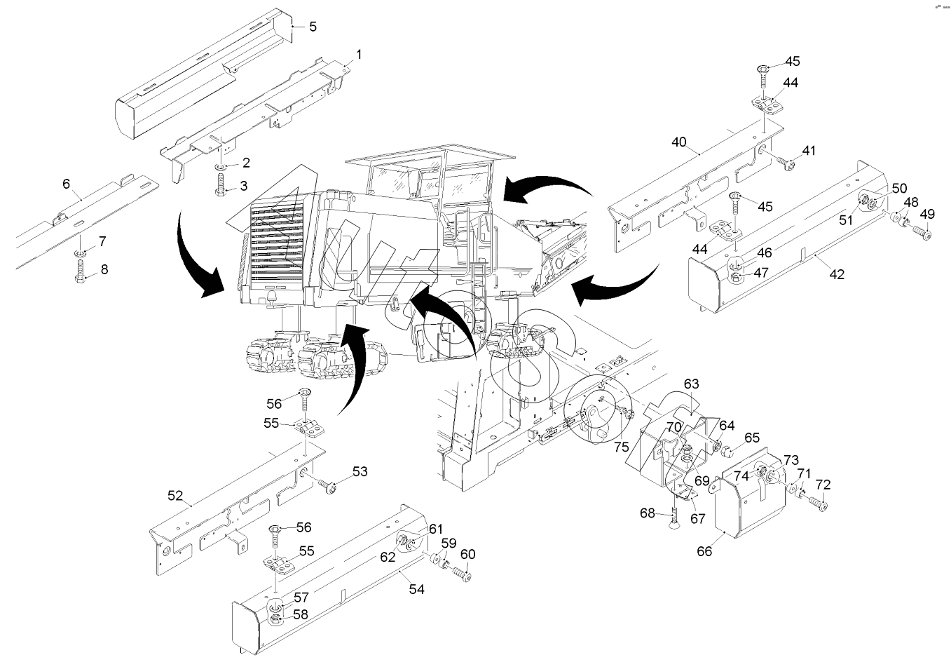
Каталог запасных частей к технике: WIRTGEN W2000 (2020). BRACKET CONTR.UNITS/TERM.BOXES

66
56
56
57
58
59
60
61
62
63
64
65
55
55
67
68
69
70
71
72
73
74
75
45
45
2
3
5
6
7
8
40
41
42
44
44
1
46
47
48
49
50
51
52
53
54
Позиция на иллюстрации | Заводской номер детали | Название детали | |
---|---|---|---|
1 | 1***0 | RETAINING SHEET | |
2 | 5***5 | WASHER | |
3 | 4***9 | SCREW | |
5 | 1***7 | PROTECTIVE HOOD | |
6 | 1***1 | HOLDER | |
7 | 5***5 | WASHER | |
8 | 4***9 | SCREW | |
40 | 1***6 | PLATE | |
41 | 1***6 | SCREW | |
42 | 1***2 | PROTECTING CAP | |
44 | 1***5 | HINGE | |
45 | 1***6 | SCREW | |
46 | 5***0 | WASHER | |
47 | 4***5 | HEXAGON NUT | |
48 | 1***7 | SILENTBLOC | |
49 | 1***1 | SCREW | |
50 | 5***1 | WASHER | |
51 | 3***3 | HEXAGON NUT | |
52 | 1***6 | PLATE | |
53 | 1***6 | SCREW | |
54 | 1***4 | PROTECTING CAP | |
55 | 1***5 | HINGE | |
56 | 1***6 | SCREW | |
57 | 5***0 | WASHER | |
58 | 4***5 | HEXAGON NUT | |
59 | 1***7 | SILENTBLOC | |
60 | 1***1 | SCREW | |
61 | 5***1 | WASHER | |
62 | 3***3 | HEXAGON NUT | |
63 | 1***2 | RETAINING SHEET | |
64 | 5***6 | WASHER | |
65 | 6***3 | CAP NUT | |
66 | 1***3 | PROTECTIVE HOOD | |
67 | 1***5 | HINGE | |
68 | 1***6 | SCREW | |
69 | 5***0 | WASHER | |
70 | 4***5 | HEXAGON NUT | |
71 | 1***7 | SILENTBLOC | |
72 | 1***1 | SCREW | |
73 | 5***1 | WASHER | |
74 | 3***3 | HEXAGON NUT | |
75 | 1***8 | SCREW |
Содержащиеся в справочниках-каталогах запасные части и детали не предлагаются к продаже, а носят исключительно информационный характер. В демо-версии артикулы (номера деталей) скрыты. Если вы хотите видеть полные оригинальные номера запчастей, вам необходимо зарегистрироваться на нашем сайте и приобрести подписку по интересующей вас конфигурации, после этого вы сможете встроить онлайн-каталоги на ваш сайт или пользоваться ими из личного кабинета нашего сайта. Обращаем ваше внимание на то, что каталоги содержат информацию об оригинальных заводских номерах и названиях запчастей. База по аналогам в данный момент не реализована. Поиска по VIN-номерам в онлайн-каталоге не предусмотрено. Выбор конкретного каталога осуществляется путем открытия нужного типа техники, марки, модели с учетом года выпуска или модификации.