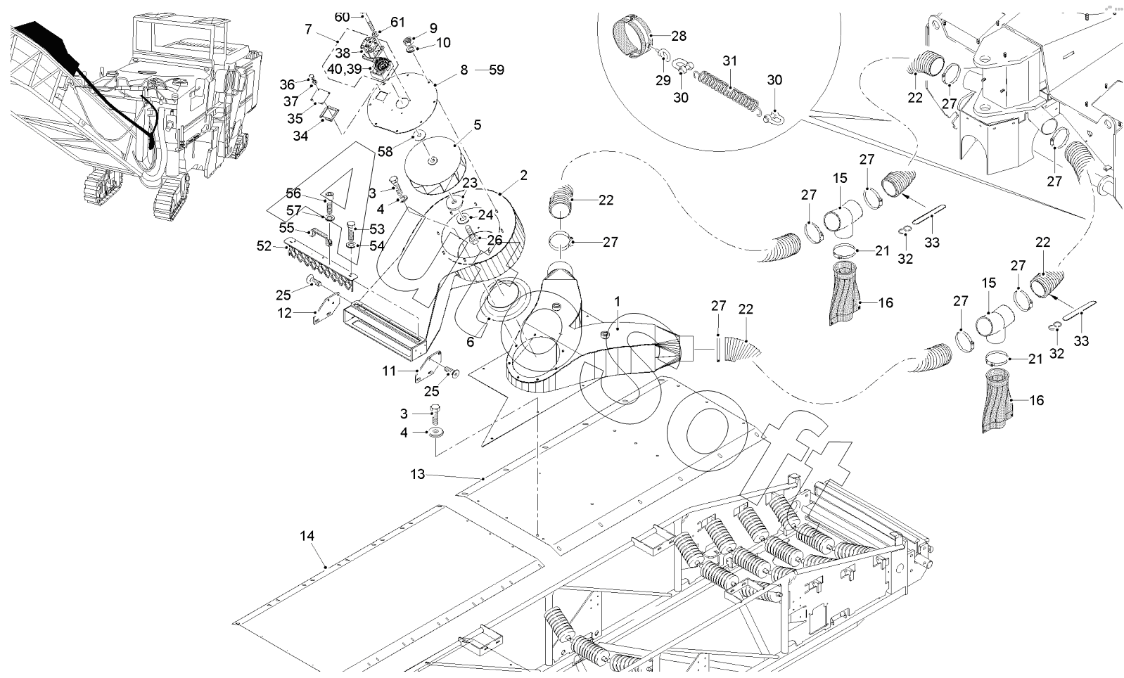
Каталог запасных частей к технике: WIRTGEN W2000 (2020). VCS DISCHARGE CONVEYOR

40
29
30
30
31
32
32
33
33
34
35
36
37
38
39
28
52
53
54
55
56
57
58
59
60
61
13
2
3
3
4
4
5
6
7
8
9
10
11
12
1
14
15
15
16
16
21
21
22
22
22
22
23
24
25
25
26
27
27
27
27
27
27
27
27
Позиция на иллюстрации | Заводской номер детали | Название детали | |
---|---|---|---|
1 | 1***7 | SUCTION PORT | |
2 | 1***5 | HOUSING | |
3 | 4***9 | SCREW | |
4 | 5***7 | WASHER | |
5 | 1***7 | VENTILATOR WHEEL | |
6 | 1***8 | NOZZLE | |
7 | 2***9 | HYDRAULIC MOTOR | |
8 | 2***6 | HOLDER | |
9 | 1***7 | HEXAGON NUT | |
10 | 5***6 | WASHER | |
11 | 1***3 | ADAPTER LEFT | |
12 | 1***4 | ADAPTER RIGHT | |
13 | 1***2 | COVER | |
14 | 6***1 | COVER | |
15 | 1***3 | T-PIECE | |
16 | 2***3 | TUBE VALVE | |
21 | 3***9 | HOSE CLAMP | |
22 | 2***7 | AIR HOSE | |
23 | 2***5 | WASHER | |
24 | 5***6 | WASHER | |
25 | 1***4 | SCREW | |
26 | 4***0 | SCREW | |
27 | 1***0 | WORM DRIVE HOSE CLIP | |
28 | 1***5 | PIPE CLIP | |
29 | 4***8 | SCREW | |
30 | 4***1 | SHACKLE | |
31 | 8***5 | TENSION SPRING | |
32 | 7***4 | HOOK | |
33 | 7***3 | RUBBER ENDLESS | |
34 | 2***5 | SEALING | |
35 | 2***1 | PLATE | |
36 | 5***9 | SCREW | |
37 | 5***0 | WASHER | |
38 | 2***0 | HYDRAULIC MOTOR | |
39 | 2***8 | FRONT BEARING | |
40 | 2***9 | SLEEVE | |
52 | 2***9 | PROTECTIVE GRID | |
53 | 4***8 | SCREW | |
54 | 5***6 | WASHER | |
55 | 5***0 | PLASTIC HANDLE | |
56 | 6***5 | SCREW | |
57 | 5***0 | WASHER | |
58 | 2***4 | WASHER | |
59 | 2***4 | HOLDER | |
60 | 4***4 | SCREW | |
61 | 5***6 | WASHER |
Содержащиеся в справочниках-каталогах запасные части и детали не предлагаются к продаже, а носят исключительно информационный характер. В демо-версии артикулы (номера деталей) скрыты. Если вы хотите видеть полные оригинальные номера запчастей, вам необходимо зарегистрироваться на нашем сайте и приобрести подписку по интересующей вас конфигурации, после этого вы сможете встроить онлайн-каталоги на ваш сайт или пользоваться ими из личного кабинета нашего сайта. Обращаем ваше внимание на то, что каталоги содержат информацию об оригинальных заводских номерах и названиях запчастей. База по аналогам в данный момент не реализована. Поиска по VIN-номерам в онлайн-каталоге не предусмотрено. Выбор конкретного каталога осуществляется путем открытия нужного типа техники, марки, модели с учетом года выпуска или модификации.