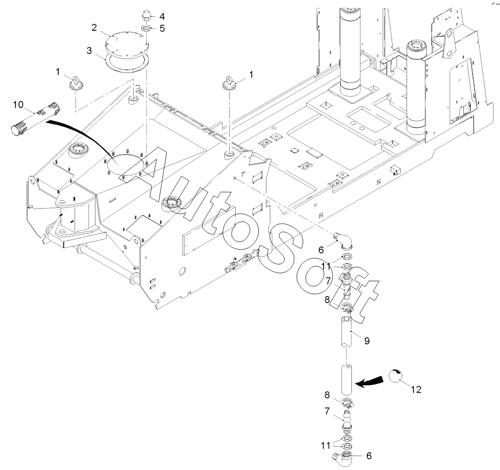
Каталог запасных частей к технике: WIRTGEN W2000 (2020). WATER TANK

1
1
2
3
4
5
6
6
7
7
8
8
9
9
10
11
11
12
Позиция на иллюстрации | Заводской номер детали | Название детали | |
---|---|---|---|
1 | 3***3 | TANK CAP | |
2 | 1***8 | TANK LID | |
3 | 6***7 | PROFILED SEAL | |
4 | 6***9 | CAP NUT | |
5 | 5***4 | WASHER | |
6 | 5***2 | ANGLE | |
7 | 1***4 | HOSE NOZZLE | |
8 | 3***9 | HOSE CLAMP | |
9 | 1***4 | PVC HOSE | |
9 | 1***9 | PVC HOSE | |
10 | 1***0 | ANTICORROSIVE AGENT | |
11 | 5***5 | WASHER | |
12 | 1***3 | BALL |
Содержащиеся в справочниках-каталогах запасные части и детали не предлагаются к продаже, а носят исключительно информационный характер. В демо-версии артикулы (номера деталей) скрыты. Если вы хотите видеть полные оригинальные номера запчастей, вам необходимо зарегистрироваться на нашем сайте и приобрести подписку по интересующей вас конфигурации, после этого вы сможете встроить онлайн-каталоги на ваш сайт или пользоваться ими из личного кабинета нашего сайта. Обращаем ваше внимание на то, что каталоги содержат информацию об оригинальных заводских номерах и названиях запчастей. База по аналогам в данный момент не реализована. Поиска по VIN-номерам в онлайн-каталоге не предусмотрено. Выбор конкретного каталога осуществляется путем открытия нужного типа техники, марки, модели с учетом года выпуска или модификации.