Каталог запасных частей к технике: WIRTGEN W50 (2020). AUTO. GRADE & SLOPE CONTROL

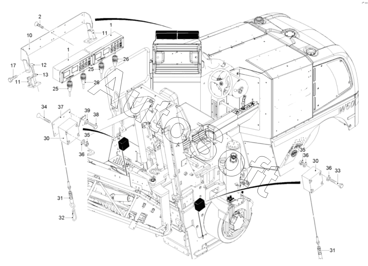
25
25
39
38
37
36
36
36
35
35
34
33
32
31
31
30
30
26
26
1
1
1
17
13
12
11
11
10
2
1
1
1
Позиция на иллюстрации | Заводской номер детали | Название детали | |
---|---|---|---|
1 | 1***0 | MILLING DEPTH REGULATOR | |
1 | 2***9 | MILLING DEPTH REGULATOR | |
2 | 6***8 | SCREW | |
10 | 2***1 | ANGLE BRACKET | |
11 | 2***7 | ANGLE BRACKET | |
12 | 4***8 | SCREW | |
13 | 5***7 | WASHER | |
14 | 1***7 | STOP | |
15 | 5***0 | SCREW | |
16 | 5***6 | WASHER | |
17 | 4***7 | SCREW | |
25 | 1***6 | CABLE HARNESS | |
26 | 1***7 | CABLE HARNESS | |
30 | 2***1 | TRACER IV | |
31 | 7***3 | WIRE ROPE BRACKET | |
32 | 1***3 | SPRING HOOK | |
33 | 4***4 | SCREW | |
34 | 1***7 | SCREW | |
35 | 1***7 | HEXAGON NUT | |
36 | 5***7 | WASHER | |
37 | 1***3 | HOLDER | |
38 | 5***0 | SCREW | |
39 | 5***6 | WASHER |
Содержащиеся в справочниках-каталогах запасные части и детали не предлагаются к продаже, а носят исключительно информационный характер. В демо-версии артикулы (номера деталей) скрыты. Если вы хотите видеть полные оригинальные номера запчастей, вам необходимо зарегистрироваться на нашем сайте и приобрести подписку по интересующей вас конфигурации, после этого вы сможете встроить онлайн-каталоги на ваш сайт или пользоваться ими из личного кабинета нашего сайта. Обращаем ваше внимание на то, что каталоги содержат информацию об оригинальных заводских номерах и названиях запчастей. База по аналогам в данный момент не реализована. Поиска по VIN-номерам в онлайн-каталоге не предусмотрено. Выбор конкретного каталога осуществляется путем открытия нужного типа техники, марки, модели с учетом года выпуска или модификации.