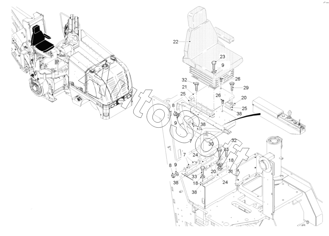
Каталог запасных частей к технике: WIRTGEN W50 (2020). SEAT, COMFORT

24
24
38
38
38
38
33
32
32
31
30
29
26
26
25
25
7
7
23
22
21
20
20
18
18
9
9
9
8
8
Позиция на иллюстрации | Заводской номер детали | Название детали | |
---|---|---|---|
7 | 1***9 | SILENTBLOC | |
8 | 5***0 | HEXAGON NUT | |
9 | 5***6 | WASHER | |
18 | 5***0 | WASHER | |
20 | 1***0 | LOCKING LEDGE | |
21 | 1***7 | BASE PLATE | |
22 | 1***8 | OPERATOR'S SEAT | |
23 | 5***0 | SCREW | |
24 | 1***7 | SLIDE RAIL | |
25 | 1***6 | SLIDE RAIL | |
26 | 1***0 | LOCATING PIN | |
29 | 1***6 | SCREW | |
30 | 1***1 | SCREW | |
31 | 4***5 | HEXAGON NUT | |
32 | 6***8 | SCREW | |
33 | 5***0 | SCREW | |
38 | 1***7 | DISTANCE SHEET |
Содержащиеся в справочниках-каталогах запасные части и детали не предлагаются к продаже, а носят исключительно информационный характер. В демо-версии артикулы (номера деталей) скрыты. Если вы хотите видеть полные оригинальные номера запчастей, вам необходимо зарегистрироваться на нашем сайте и приобрести подписку по интересующей вас конфигурации, после этого вы сможете встроить онлайн-каталоги на ваш сайт или пользоваться ими из личного кабинета нашего сайта. Обращаем ваше внимание на то, что каталоги содержат информацию об оригинальных заводских номерах и названиях запчастей. База по аналогам в данный момент не реализована. Поиска по VIN-номерам в онлайн-каталоге не предусмотрено. Выбор конкретного каталога осуществляется путем открытия нужного типа техники, марки, модели с учетом года выпуска или модификации.