Каталог запасных частей к технике: WIRTGEN W50 (2020). FUEL SUPPLY

11
30
24
23
22
22
21
20
20
15
12
1
10
7
6
5
5
5
5
5
5
4
4
3
3
2
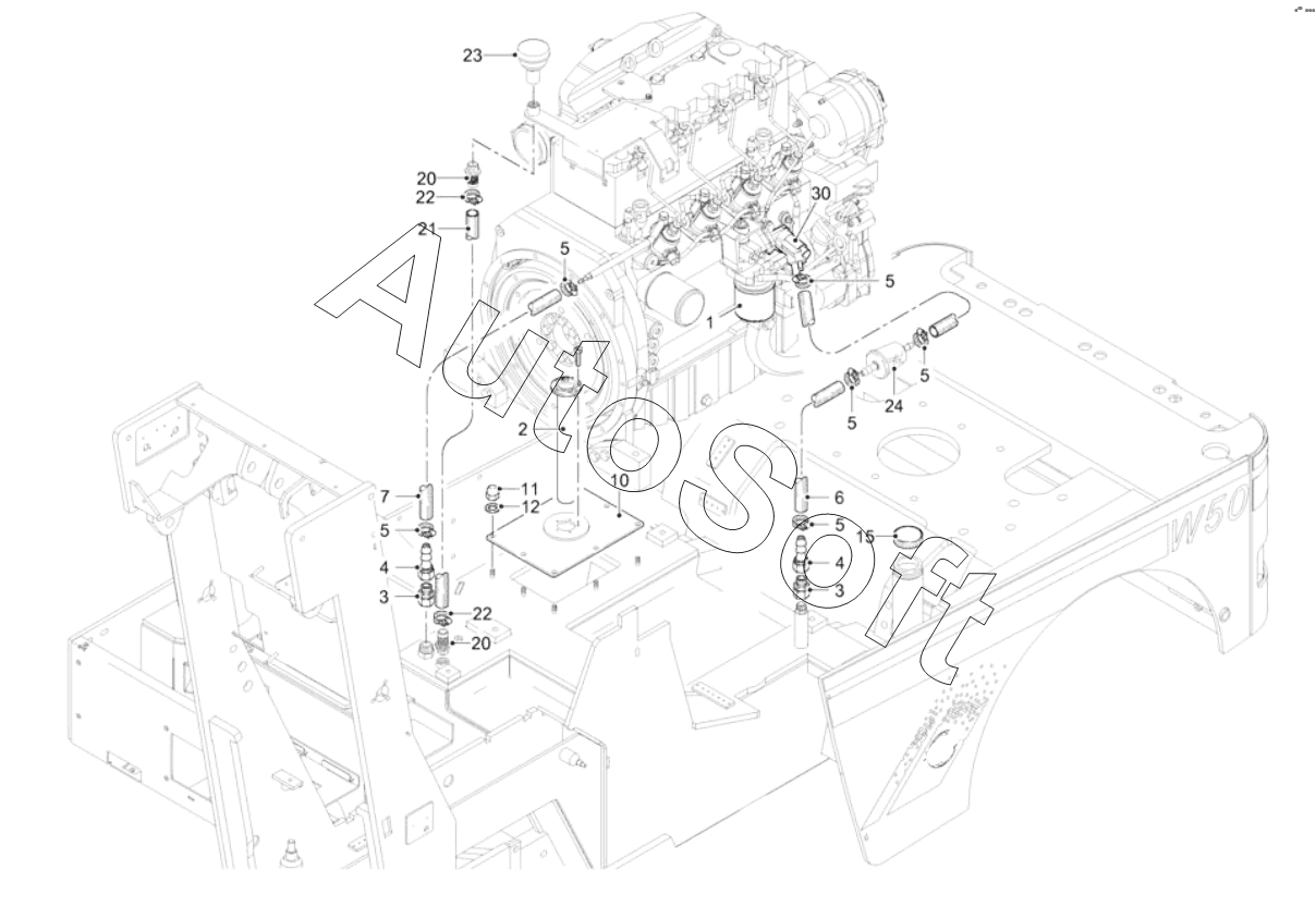
Позиция на иллюстрации | Заводской номер детали | Название детали | |
---|---|---|---|
1 | 1***2 | FILTER INSERT, FUEL PREFILTER | |
2 | 1***5 | TANK LEVEL SENSOR | |
3 | 2***4 | REDUCING COUPLING | |
4 | 1***3 | HOSE SUPPORT | |
5 | 3***6 | HOSE CLAMP | |
6 | 2***5 | FUEL HOSE | |
7 | 2***5 | FUEL HOSE | |
10 | 1***2 | LID | |
11 | 6***9 | CAP NUT | |
12 | 5***4 | WASHER | |
15 | 1***5 | TANK CAP | |
20 | 1***4 | HOSE NOZZLE | |
21 | 1***4 | COOLING-WATER HOSE | |
22 | 3***9 | HOSE CLAMP | |
23 | 1***2 | BREATHER FILTER | |
24 | 1***2 | FUEL FILTER | |
30 | 2***7 | FUEL PUMP |
Содержащиеся в справочниках-каталогах запасные части и детали не предлагаются к продаже, а носят исключительно информационный характер. В демо-версии артикулы (номера деталей) скрыты. Если вы хотите видеть полные оригинальные номера запчастей, вам необходимо зарегистрироваться на нашем сайте и приобрести подписку по интересующей вас конфигурации, после этого вы сможете встроить онлайн-каталоги на ваш сайт или пользоваться ими из личного кабинета нашего сайта. Обращаем ваше внимание на то, что каталоги содержат информацию об оригинальных заводских номерах и названиях запчастей. База по аналогам в данный момент не реализована. Поиска по VIN-номерам в онлайн-каталоге не предусмотрено. Выбор конкретного каталога осуществляется путем открытия нужного типа техники, марки, модели с учетом года выпуска или модификации.