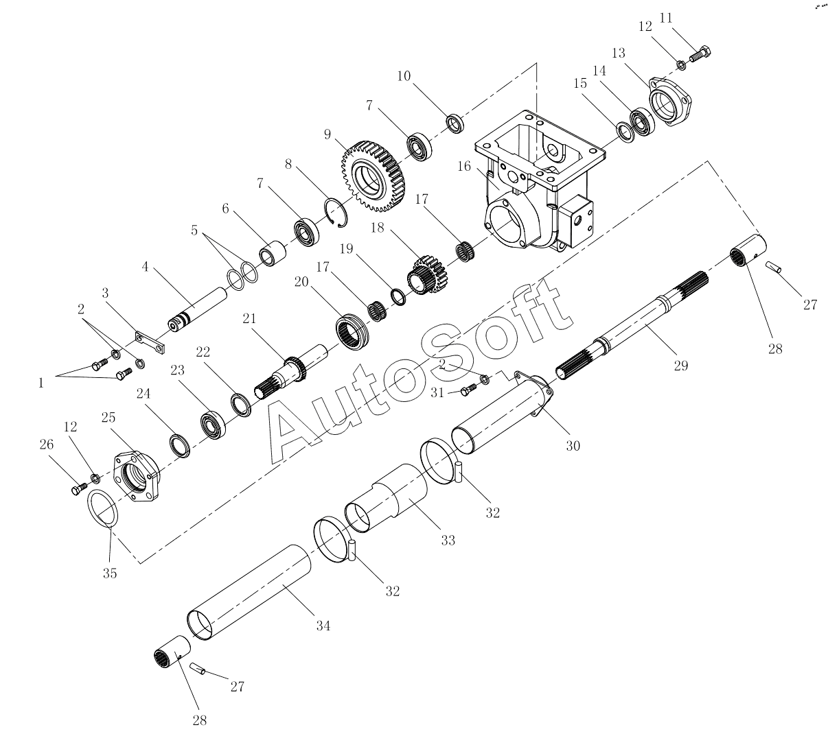
Каталог запасных частей к технике: YTO SK244. Transfer Case Assy
35
9
17
17
16
15
14
13
12
12
11
10
18
8
7
7
6
5
4
3
2
2
26
34
33
32
32
31
30
29
28
28
27
27
1
25
24
23
22
21
20
19
| Позиция на иллюстрации | Заводской номер детали | Название детали | |
|---|---|---|---|
| 1 | 2***2 | Болт | |
| 2 | 2***9 | Шайба | |
| 3 | 2***4 | Fixed Plate, Intermediate Shaft | |
| 4 | 2***5 | Central Shaft | |
| 5 | 2***3 | O-ring | |
| 6 | 2***6 | Large Thrust Ring, Intermediate Shaft | |
| 7 | 2***2 | Bearing | |
| 8 | 2***0 | Retaining ring | |
| 9 | 2***7 | Middle Gear, Transfer Case | |
| 10 | 2***8 | Small Thrust Ring, Intermediate Shaft | |
| 11 | 2***2 | Болт | |
| 12 | 2***1 | Шайба | |
| 13 | 2***6 | Rear bearing cover | |
| 14 | 2***2 | Bearing | |
| 15 | 2***5 | Output shaft rear thrust ring | |
| 16 | 2***6 | Transfer Case housing | |
| 17 | 2***9 | Bearing | |
| 18 | 2***3 | Driven Gear, Transfer case | |
| 19 | 2***4 | Output shaft spacer sleeve | |
| 20 | 2***2 | Engagement Sleeve | |
| 21 | 2***1 | Output Shaft | |
| 22 | 2***0 | Output shaft front thrust ring | |
| 23 | 2***1 | Подшипник | |
| 24 | 2***5 | Oil seal | |
| 25 | 2***9 | Front Bearing Cover | |
| 26 | 2***4 | Болт | |
| 27 | 2***0 | Spring-Type Straight Pin, Spring Pin | |
| 28 | 2***2 | Spline Housing | |
| 29 | 2***0 | Transmission Shaft Weldment | |
| 30 | 2***1 | Sheath weldment | |
| 31 | 2***9 | Bolt | |
| 32 | 2***3 | Carbon Steel Hose Clamp | |
| 33 | 2***6 | Dust sleeve | |
| 34 | 2***1 | Sleeve | |
| 35 | 2***2 | O-ring | |
| 36 | 2***4 | Handle Assy | |
| 37 | 2***7 | Seat, Ball Sleeve | |
| 38 | 2***9 | Ball Sleeve | |
| 39 | 2***3 | Болт | |
| 40 | 2***7 | Шайба | |
| 41 | 2***7 | Гайка | |
| 42 | 2***1 | Pin | |
| 43 | 2***9 | Front drive control lever | |
| 44 | 2***7 | Link Joint | |
| 45 | 2***6 | Rocker arm assembly | |
| 46 | 2***0 | Hinge pin | |
| 47 | 2***7 | Шайба | |
| 48 | 2***6 | Cotter pin | |
| 49 | 2***0 | Right Pull Rod Joint | |
| 50 | 2***8 | Clutch adjustment rod | |
| 51 | 2***9 | Left Pull Rod Joint | |
| 52 | 2***5 | 4WD rocker | |
| 53 | 2***8 | Positioning Spring, Shift Fork Shaft | |
| 54 | 2***6 | Check Pin | |
| 55 | 2***6 | Locating Plate | |
| 56 | 2***4 | O-ring | |
| 57 | 2***4 | Pin | |
| 58 | 2***9 | Fork Shaft, Transfer Case | |
| 59 | 2***0 | Pin | |
| 60 | 2***3 | Plug screw | |
| 61 | 2***8 | Combined seal washer | |
| 62 | 2***8 | Cylindrical pin | |
| 63 | 2***7 | Shifting Fork, Transfer Case | |
| 64 | 2***8 | Shifting Rod, Transfer Case | |
| 65 | 2***2 | Hinge pin | |
| 66 | 2***6 | Шайба | |
| 67 | 2***4 | шплинт | |
| 68 | 2***7 | Гайка |
Содержащиеся в справочниках-каталогах запасные части и детали не предлагаются к продаже, а носят исключительно информационный характер. В демо-версии артикулы (номера деталей) скрыты. Если вы хотите видеть полные оригинальные номера запчастей, вам необходимо зарегистрироваться на нашем сайте и приобрести подписку по интересующей вас конфигурации, после этого вы сможете встроить онлайн-каталоги на ваш сайт или пользоваться ими из личного кабинета нашего сайта. Обращаем ваше внимание на то, что каталоги содержат информацию об оригинальных заводских номерах и названиях запчастей. База по аналогам в данный момент не реализована. Поиска по VIN-номерам в онлайн-каталоге не предусмотрено. Выбор конкретного каталога осуществляется путем открытия нужного типа техники, марки, модели с учетом года выпуска или модификации.