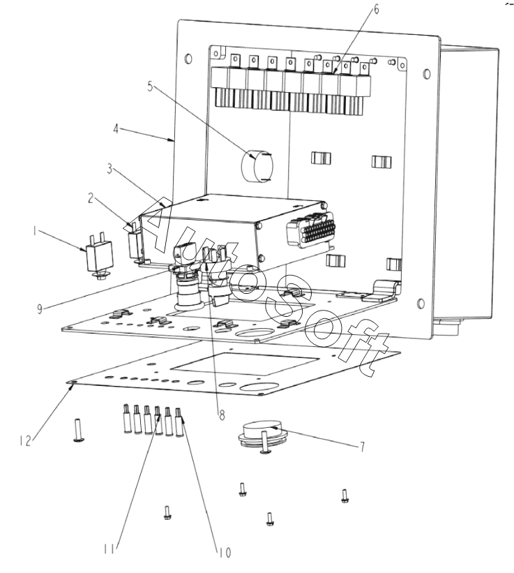
Каталог запасных частей к технике: LGMG SR1023D (2022). Lower control box assembly-T4F

1
2
3
4
5
6
7
8
9
10
11
12
Позиция на иллюстрации | Заводской номер детали | Название детали | |
---|---|---|---|
1 | 4***5 | Circuit breaker 10420063 | |
2 | 4***2 | Circuit breaker 10420006 | |
3 | 4***1 | Gcu-off-road 60020196 | |
4 | 4***1 | Box | |
5 | 4***8 | Buzzer | |
6 | 4***0 | Relay 10450018 | |
7 | 4***2 | Waterproof plug | |
8 | 4***3 | Key switch | |
9 | 4***7 | Switch | |
10 | 4***5 | Yellow signal indicator 10480030 | |
11 | 4***1 | Overload indicator 10480006 | |
12 | 4***8 | Screw gb/973-m4x10/black-29700173 |
Содержащиеся в справочниках-каталогах запасные части и детали не предлагаются к продаже, а носят исключительно информационный характер. В демо-версии артикулы (номера деталей) скрыты. Если вы хотите видеть полные оригинальные номера запчастей, вам необходимо зарегистрироваться на нашем сайте и приобрести подписку по интересующей вас конфигурации, после этого вы сможете встроить онлайн-каталоги на ваш сайт или пользоваться ими из личного кабинета нашего сайта. Обращаем ваше внимание на то, что каталоги содержат информацию об оригинальных заводских номерах и названиях запчастей. База по аналогам в данный момент не реализована. Поиска по VIN-номерам в онлайн-каталоге не предусмотрено. Выбор конкретного каталога осуществляется путем открытия нужного типа техники, марки, модели с учетом года выпуска или модификации.