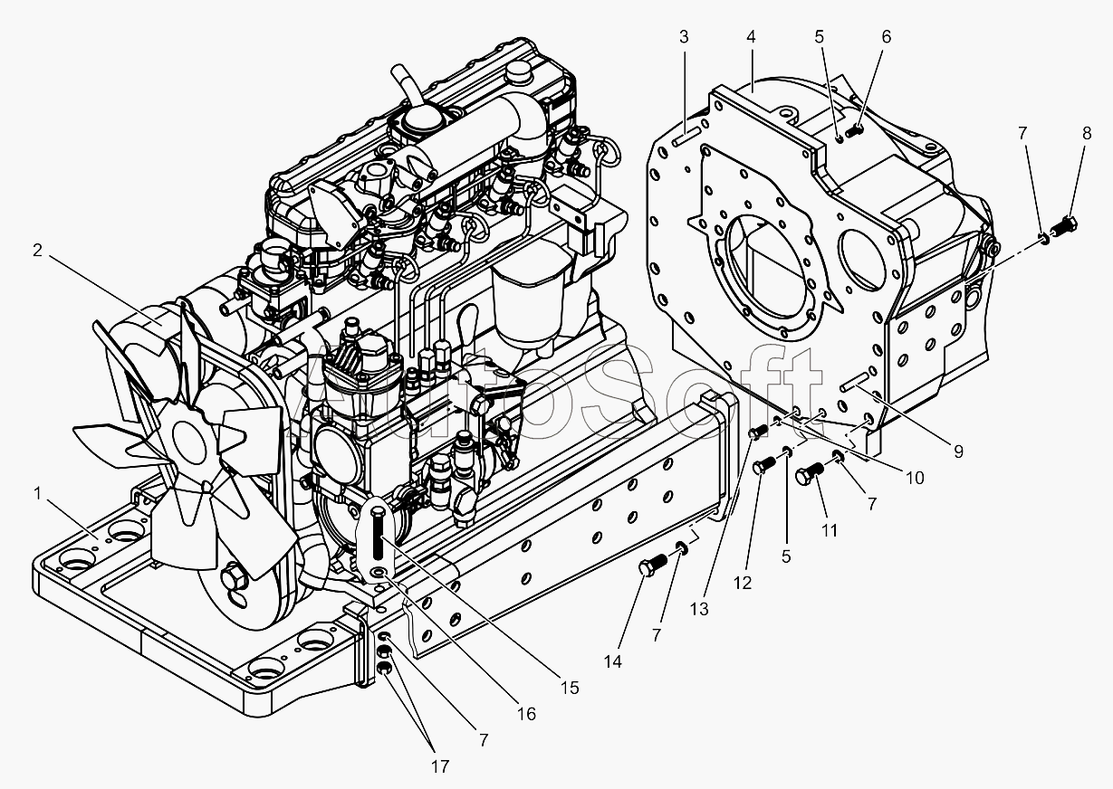
Каталог запасных частей к технике: МТЗ МЛПТ-344 (2011). Блок моторно-трансмиссионный
9
17
16
15
14
13
12
11
10
8
7
7
7
7
6
5
5
4
3
2
1
| Позиция на иллюстрации | Заводской номер детали | Название детали | |
|---|---|---|---|
| 344-1002010 | 3***0 | Блок моторно-трансмиссионный | |
| 1 | М***0 | Полурама | |
| 2 | 2***8 | Дизель | |
| 3 | Д***5 | Штифт установочный | |
| 4 | 3***Б | Трансмиссия | |
| 5 | 4***8 | Шайба 12ОТ | |
| 6 | M***9 | Болт | |
| 7 | 4***0 | Шайба 16ОТ | |
| 8 | 7***1 | Болт | |
| 9 | 5***2 | Штифт | |
| 10 | 4***6 | Шайба 8Т | |
| 11 | M***9 | Болт | |
| 12 | M***9 | Болт | |
| 13 | M***9 | Болт | |
| 14 | M***9 | Болт | |
| 15 | M***9 | Болт | |
| 16 | 5***5 | Шайба | |
| 17 | M***9 | Гайка |
Содержащиеся в справочниках-каталогах запасные части и детали не предлагаются к продаже, а носят исключительно информационный характер. В демо-версии артикулы (номера деталей) скрыты. Если вы хотите видеть полные оригинальные номера запчастей, вам необходимо зарегистрироваться на нашем сайте и приобрести подписку по интересующей вас конфигурации, после этого вы сможете встроить онлайн-каталоги на ваш сайт или пользоваться ими из личного кабинета нашего сайта. Обращаем ваше внимание на то, что каталоги содержат информацию об оригинальных заводских номерах и названиях запчастей. База по аналогам в данный момент не реализована. Поиска по VIN-номерам в онлайн-каталоге не предусмотрено. Выбор конкретного каталога осуществляется путем открытия нужного типа техники, марки, модели с учетом года выпуска или модификации.