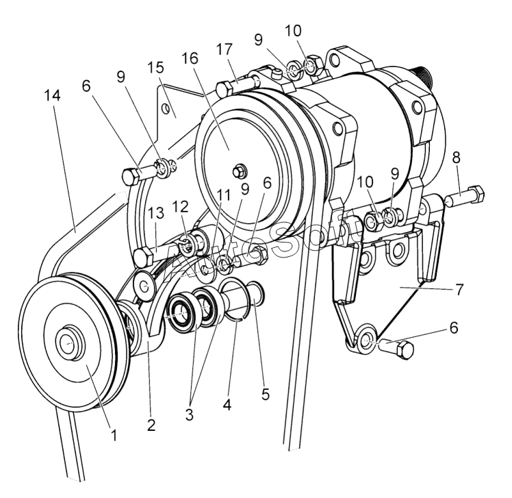
Каталог запасных частей к технике: МТЗ БЕЛАРУС 1502 (2017). Компрессор кондиционера с приводом. Рычаг натяжной
7
17
16
15
14
13
12
11
10
10
9
9
9
9
8
6
6
6
5
5
4
3
3
2
1
| Позиция на иллюстрации | Заводской номер детали | Название детали | |
|---|---|---|---|
| 2103-8114010 | 2***0 | Установка компрессора | |
| 2103-8114020 | 2***0 | Рычаг натяжной | |
| 1 | 2***1 | Шкив | |
| 2 | 1***1 | Рычаг натяжной | |
| 3 | П***7 | Подшипник | |
| 3 | П***3 | Подшипник | |
| 4 | К***0 | Кольцо С40 | |
| 5 | 2***2 | Ось | |
| 5 | 2***9 | Палец | |
| 6 | Б***9 | Болт | |
| 7 | 1***2 | Кронштейн | |
| 8 | 3***3 | Болт специальный | |
| 9 | 4***7 | Шайба 10ОТ | |
| 10 | Г***9 | Гайка | |
| 11 | 5***3 | Шайба | |
| 12 | 4***8 | Шайба 12ОТ | |
| 13 | Б***9 | Болт | |
| 14 | S***0 | Ремень | |
| 15 | 3***1 | Пластина | |
| 16 | 0***0 | Компрессор | |
| 17 | Б***9 | Болт |
Содержащиеся в справочниках-каталогах запасные части и детали не предлагаются к продаже, а носят исключительно информационный характер. В демо-версии артикулы (номера деталей) скрыты. Если вы хотите видеть полные оригинальные номера запчастей, вам необходимо зарегистрироваться на нашем сайте и приобрести подписку по интересующей вас конфигурации, после этого вы сможете встроить онлайн-каталоги на ваш сайт или пользоваться ими из личного кабинета нашего сайта. Обращаем ваше внимание на то, что каталоги содержат информацию об оригинальных заводских номерах и названиях запчастей. База по аналогам в данный момент не реализована. Поиска по VIN-номерам в онлайн-каталоге не предусмотрено. Выбор конкретного каталога осуществляется путем открытия нужного типа техники, марки, модели с учетом года выпуска или модификации.