Каталог запасных частей к технике: МТЗ МР-40-01 (2010). Электрооборудование двигателя
28
19
20
21
22
22
23
24
25
26
26
26
27
27
18
29
30
31
32
33
34
35
36
9
1
1
1
1
1
1
1
1
1
2
2
2
2
2
2
2
2
3
3
3
3
4
5
6
6
6
6
6
6
6
7
8
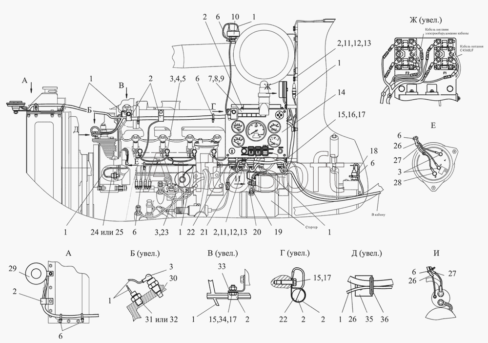
МР40-3700030-В
10
11
11
11
12
12
13
13
14
15
15
15
16
17
17
17
| Позиция на иллюстрации | Заводской номер детали | Название детали | |
|---|---|---|---|
| МР40-3700030-В | М***В | Электрооборудование двигателя | |
| 1 | М***0 | Жгут2 | |
| 2 | 7***3 | Хомутик | |
| 3 | М***8 | Чехол | |
| 4 | М***9 | Гайка ГОСТ 5915-70 | |
| 5 | 5***Т | Шайба | |
| 6 | 8***5 | Манжета | |
| 7 | М***9 | Болт | |
| 8 | С***9 | Шайба | |
| 9 | 1***Л | Шайба ОСТ 37.001.115-75 | |
| 10 | Д***5 | Датчик засоренности воздуха | |
| 11 | М***9 | Болт ГОСТ 7796-70 | |
| 12 | С***9 | Шайба | |
| 13 | 6***Т | Шайба | |
| 14 | М***В | Пульт управления защиты | |
| 15 | М***9 | Болт | |
| 16 | С***9 | Шайба | |
| 17 | 8***Т | Шайба | |
| 18 | В***1 | Выключатель | |
| 19 | 1***4 | Гайка фигурная | |
| 20 | 1***1 | Кожух | |
| 21 | М***0 | Жгут 4 | |
| 22 | М***5 | Жгут 1 | |
| 23 | Д***2 | Датчик давления | |
| 24 | Д***3 | Датчик | |
| 25 | М***1 | Датчик аварийного давления | |
| 26 | М***0 | Жгут 2 | |
| 27 | М***0 | Жгут 30 | |
| 28 | 5***0 | Чехол | |
| 29 | С***Г | Сигнал звуковой безрупорный | |
| 30 | Д***1 | Датчик | |
| 31 | Д***Ж | Датчик аварийной температуры | |
| 32 | Т***2 | Датчик аварийной температуры | |
| 33 | 7***1 | Угольник | |
| 34 | М***9 | Гайка | |
| 35 | 1***А | Кронштейн | |
| 36 | 7***2 | Втулка |
Содержащиеся в справочниках-каталогах запасные части и детали не предлагаются к продаже, а носят исключительно информационный характер. В демо-версии артикулы (номера деталей) скрыты. Если вы хотите видеть полные оригинальные номера запчастей, вам необходимо зарегистрироваться на нашем сайте и приобрести подписку по интересующей вас конфигурации, после этого вы сможете встроить онлайн-каталоги на ваш сайт или пользоваться ими из личного кабинета нашего сайта. Обращаем ваше внимание на то, что каталоги содержат информацию об оригинальных заводских номерах и названиях запчастей. База по аналогам в данный момент не реализована. Поиска по VIN-номерам в онлайн-каталоге не предусмотрено. Выбор конкретного каталога осуществляется путем открытия нужного типа техники, марки, модели с учетом года выпуска или модификации.