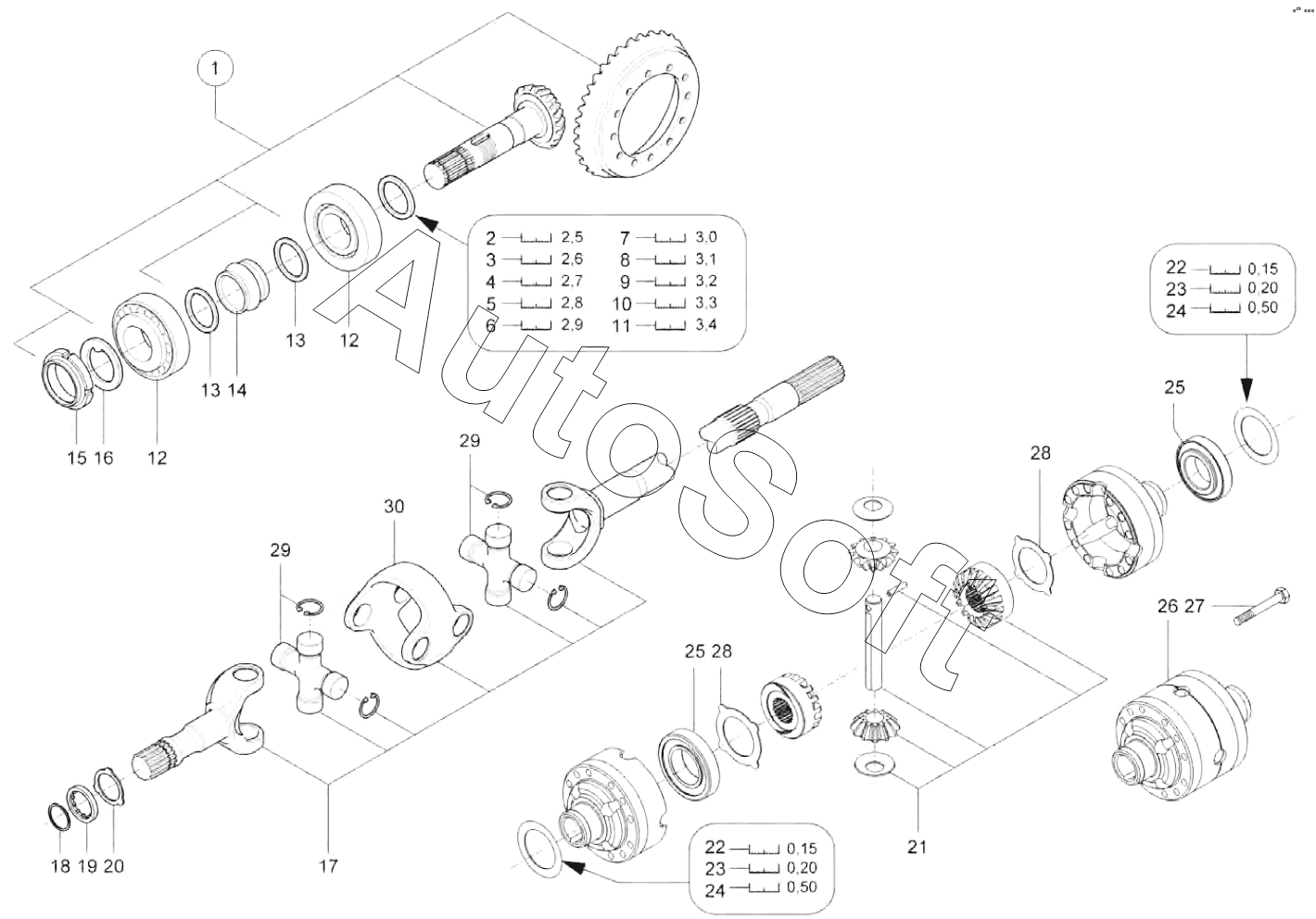
Каталог запасных частей к технике: Wacker Neuson Kramer 5055L (2014). ANGLE DRIVE

16
30
29
29
28
28
27
26
25
25
24
24
23
23
22
22
21
20
19
18
17
1
15
14
13
13
12
12
11
10
9
8
7
6
5
4
3
2
Позиция на иллюстрации | Заводской номер детали | Название детали | |
---|---|---|---|
1 | 1***5 | ANGLE DRIVE | |
2 | 1***0 | DISC | |
3 | 1***1 | DISC | |
4 | 1***2 | DISC | |
5 | 1***3 | DISC | |
6 | 1***4 | DISC | |
7 | 1***5 | DISC | |
8 | 1***6 | DISC | |
9 | 1***7 | DISC | |
10 | 1***8 | DISC | |
11 | 1***9 | DISC | |
12 | 1***7 | BEARING | |
13 | 1***7 | WASHER | |
14 | 1***6 | BUSHING | |
15 | 1***8 | SET NUT | |
16 | 1***9 | LOCK PLATE | |
17 | 1***0 | DOUBLE CARDAN SHAFT | |
18 | 1***1 | WASHER | |
19 | 1***2 | WASHER | |
20 | 1***3 | LOCK RING | |
21 | 1***3 | DIFFERENTIAL-SET | |
22 | 1***4 | DISC | |
23 | 1***5 | DISC | |
24 | 1***6 | DISC | |
25 | 1***6 | BEARING | |
26 | 1***3 | HOUSING | |
27 | 1***3 | SCREW | |
28 | 1***1 | LOCK WASHER | |
29 | 1***3 | CROSS UNION SET | |
30 | 1***2 | COUPLING RING |
Содержащиеся в справочниках-каталогах запасные части и детали не предлагаются к продаже, а носят исключительно информационный характер. В демо-версии артикулы (номера деталей) скрыты. Если вы хотите видеть полные оригинальные номера запчастей, вам необходимо зарегистрироваться на нашем сайте и приобрести подписку по интересующей вас конфигурации, после этого вы сможете встроить онлайн-каталоги на ваш сайт или пользоваться ими из личного кабинета нашего сайта. Обращаем ваше внимание на то, что каталоги содержат информацию об оригинальных заводских номерах и названиях запчастей. База по аналогам в данный момент не реализована. Поиска по VIN-номерам в онлайн-каталоге не предусмотрено. Выбор конкретного каталога осуществляется путем открытия нужного типа техники, марки, модели с учетом года выпуска или модификации.