Каталог запасных частей к технике: Wacker Neuson Kramer 350 (5035) (2020). Mannual throttle attachment A:348011093

9
9
17
17
16
15
14
13
12
12
11
10
1
8
7
7
6
6
5
4
3
2
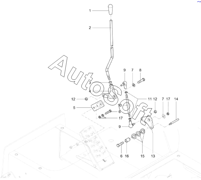
Позиция на иллюстрации | Заводской номер детали | Название детали | |
---|---|---|---|
1 | 1***6 | Handle | |
2 | 1***5 | Likage | |
3 | 1***7 | HEXAGON NUT | |
4 | 1***4 | Lever | |
5 | 1***4 | Mounting | |
6 | 1***0 | HEX SCREW | |
7 | 1***7 | WASHER | |
8 | 1***6 | HEX SCREW | |
9 | 1***0 | BALL AND SOCKET | |
10 | 1***7 | Likage | |
11 | 1***5 | HEXAGON NUT | |
12 | 1***8 | HEXAGON NUT | |
13 | 1***2 | Lever | |
14 | 1***3 | Likage | |
15 | 1***9 | Disc spring | |
16 | 1***3 | BUSHING | |
17 | 1***1 | HEXAGON NUT |
Содержащиеся в справочниках-каталогах запасные части и детали не предлагаются к продаже, а носят исключительно информационный характер. В демо-версии артикулы (номера деталей) скрыты. Если вы хотите видеть полные оригинальные номера запчастей, вам необходимо зарегистрироваться на нашем сайте и приобрести подписку по интересующей вас конфигурации, после этого вы сможете встроить онлайн-каталоги на ваш сайт или пользоваться ими из личного кабинета нашего сайта. Обращаем ваше внимание на то, что каталоги содержат информацию об оригинальных заводских номерах и названиях запчастей. База по аналогам в данный момент не реализована. Поиска по VIN-номерам в онлайн-каталоге не предусмотрено. Выбор конкретного каталога осуществляется путем открытия нужного типа техники, марки, модели с учетом года выпуска или модификации.