Каталог запасных частей к технике: Wacker Neuson Kramer 350 (5035) (2020). Brake

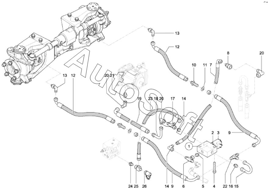
14
14
26
25
24
23
22
21
20
20
20
19
18
17
16
15
1
13
13
12
12
11
10
9
9
8
7
6
5
4
3
2
Позиция на иллюстрации | Заводской номер детали | Название детали | |
---|---|---|---|
1 | 1***1 | SOLENOID VALVE | |
2 | 1***2 | VALVE | |
3 | 1***1 | MAGNET SPOOL | |
4 | 1***5 | HEX SCREW | |
5 | 1***0 | Protection | |
6 | 1***7 | SCREW JOINT | |
7 | 1***1 | Hose | |
8 | 1***2 | SCREW JOINT | |
9 | 1***7 | Hose | |
10 | 1***6 | LOCK SCREW CONNECTION | |
11 | 1***1 | WASHER | |
12 | 1***9 | Hose | |
13 | 1***6 | SCREW JOINT | |
14 | 1***8 | SCREW JOINT | |
15 | 1***3 | HYDRAULIC PIPE | |
16 | 1***0 | SCREW JOINT | |
17 | 1***5 | SCREW JOINT | |
18 | 1***2 | CONNECTION PIECE | |
19 | 1***1 | Hose | |
20 | 1***2 | SCREW JOINT | |
21 | 1***0 | Screw joint | |
22 | 1***4 | SCREW JOINT | |
23 | 1***8 | Hose | |
24 | 1***0 | SCREW JOINT | |
25 | 1***5 | SCREW JOINT | |
26 | 1***5 | MINIMESS POINT |
Содержащиеся в справочниках-каталогах запасные части и детали не предлагаются к продаже, а носят исключительно информационный характер. В демо-версии артикулы (номера деталей) скрыты. Если вы хотите видеть полные оригинальные номера запчастей, вам необходимо зарегистрироваться на нашем сайте и приобрести подписку по интересующей вас конфигурации, после этого вы сможете встроить онлайн-каталоги на ваш сайт или пользоваться ими из личного кабинета нашего сайта. Обращаем ваше внимание на то, что каталоги содержат информацию об оригинальных заводских номерах и названиях запчастей. База по аналогам в данный момент не реализована. Поиска по VIN-номерам в онлайн-каталоге не предусмотрено. Выбор конкретного каталога осуществляется путем открытия нужного типа техники, марки, модели с учетом года выпуска или модификации.