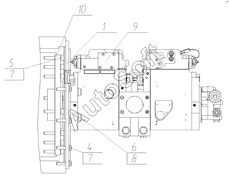
Каталог запасных частей к технике: ТВЭКС E160C CT (2024). Установка насоса. 195-17-28.02.000

1
4
5
6
7
7
8
9
10
Позиция на иллюстрации | Заводской номер детали | Название детали | |
---|---|---|---|
1 | 1***1 | Диск проставочный | |
4 | Э***0 | Болт | |
5 | 2***0 | Винт | |
6 | 2***0 | Винт | |
7 | 0***6 | Шайба | |
8 | 0***9 | Шайба | |
9 | Э***2 | Основной гидравлический насос | |
10 | Э***3 | Муфта |
Содержащиеся в справочниках-каталогах запасные части и детали не предлагаются к продаже, а носят исключительно информационный характер. В демо-версии артикулы (номера деталей) скрыты. Если вы хотите видеть полные оригинальные номера запчастей, вам необходимо зарегистрироваться на нашем сайте и приобрести подписку по интересующей вас конфигурации, после этого вы сможете встроить онлайн-каталоги на ваш сайт или пользоваться ими из личного кабинета нашего сайта. Обращаем ваше внимание на то, что каталоги содержат информацию об оригинальных заводских номерах и названиях запчастей. База по аналогам в данный момент не реализована. Поиска по VIN-номерам в онлайн-каталоге не предусмотрено. Выбор конкретного каталога осуществляется путем открытия нужного типа техники, марки, модели с учетом года выпуска или модификации.