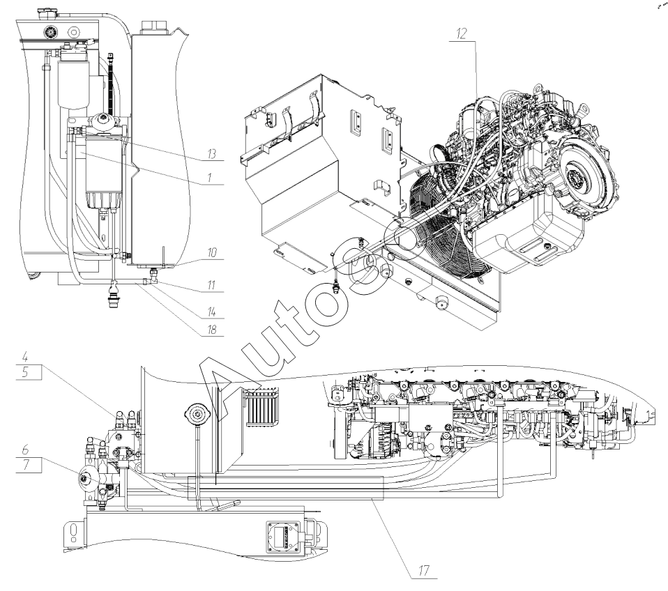
Каталог запасных частей к технике: ТВЭКС E160C CT (2024). Установка топливопроводов. 195-17-28.05.000

1
4
5
6
7
10
11
12
13
14
17
18
Позиция на иллюстрации | Заводской номер детали | Название детали | |
---|---|---|---|
1 | 1***1 | Кронштейн | |
4 | 2***0 | Болт | |
5 | 0***5 | Шайба | |
6 | 2***1 | Болт | |
7 | 2***8 | Гайка | |
10 | 2***3 | Адаптер | |
11 | Э***7 | Адаптер | |
12 | 2***4 | Топливопровод | |
13 | 2***3 | Фитинг прямой | |
14 | 2***7 | Хомут | |
17 | 2***2 | Защита РВД пластиковая | |
18 | 0***9 | Рукава |
Содержащиеся в справочниках-каталогах запасные части и детали не предлагаются к продаже, а носят исключительно информационный характер. В демо-версии артикулы (номера деталей) скрыты. Если вы хотите видеть полные оригинальные номера запчастей, вам необходимо зарегистрироваться на нашем сайте и приобрести подписку по интересующей вас конфигурации, после этого вы сможете встроить онлайн-каталоги на ваш сайт или пользоваться ими из личного кабинета нашего сайта. Обращаем ваше внимание на то, что каталоги содержат информацию об оригинальных заводских номерах и названиях запчастей. База по аналогам в данный момент не реализована. Поиска по VIN-номерам в онлайн-каталоге не предусмотрено. Выбор конкретного каталога осуществляется путем открытия нужного типа техники, марки, модели с учетом года выпуска или модификации.