Каталог запасных частей к технике: ТВЭКС E170W (2023). Климатический блок в сборе. 405-00-23.81.000

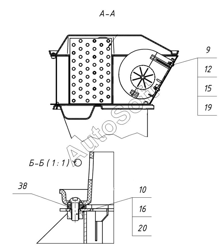
9
10
12
15
16
19
20
38
Позиция на иллюстрации | Заводской номер детали | Название детали | |
---|---|---|---|
1 | 4***0 | Корпус климатической системы | |
6 | 4***4 | Крышка отопителя | |
7 | 4***5 | Воздуховод воздухозаборника | |
9 | 0***1 | Винт | |
10 | 0***1 | Винт | |
12 | 0***1 | Гайка | |
15 | 0***1 | Шайба | |
16 | 0***1 | Шайба | |
19 | 0***1 | Шайба | |
20 | 0***1 | Шайба плоская | |
38 | 0***1 | Резина автоклавная |
Содержащиеся в справочниках-каталогах запасные части и детали не предлагаются к продаже, а носят исключительно информационный характер. В демо-версии артикулы (номера деталей) скрыты. Если вы хотите видеть полные оригинальные номера запчастей, вам необходимо зарегистрироваться на нашем сайте и приобрести подписку по интересующей вас конфигурации, после этого вы сможете встроить онлайн-каталоги на ваш сайт или пользоваться ими из личного кабинета нашего сайта. Обращаем ваше внимание на то, что каталоги содержат информацию об оригинальных заводских номерах и названиях запчастей. База по аналогам в данный момент не реализована. Поиска по VIN-номерам в онлайн-каталоге не предусмотрено. Выбор конкретного каталога осуществляется путем открытия нужного типа техники, марки, модели с учетом года выпуска или модификации.