Каталог запасных частей к технике: ТВЭКС E200NC (2024). Установка силовая. 200-17-28.00.000

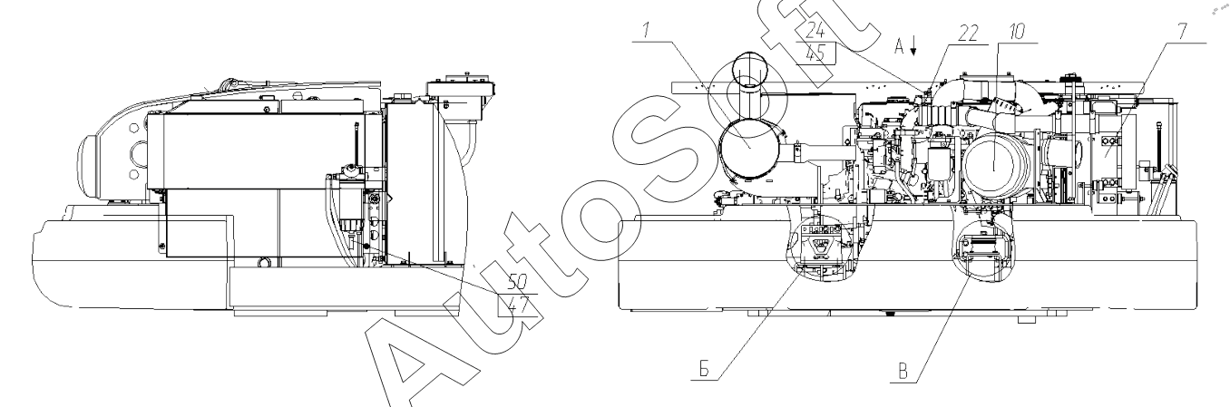
50
47
45
1
24
22
10
7
Позиция на иллюстрации | Заводской номер детали | Название детали | |
---|---|---|---|
1 | 1***8 | Установка глушителя | |
4 | 2***0 | Установка насоса | |
5 | 2***0 | Кронштейн подогревателя | |
7 | 2***0 | Установка блока радиаторов | |
10 | 1***7 | Установка воздухоочистителя | |
13 | 2***0 | Установка топливопроводов | |
15 | 1***2 | Установка перегородок | |
16 | 1***0 | Кронштейн двигателя задний | |
19 | 2***0 | Опора | |
20 | 2***0 | Опора | |
22 | 1***1 | Кронштейн щупа | |
24 | 2***2 | Болт | |
25 | 2***0 | Болт | |
26 | 2***3 | Болт | |
27 | 2***1 | Болт | |
28 | 2***1 | Болт | |
30 | Э***4 | Болт | |
31 | 2***7 | Болт | |
32 | 0***7 | Гайка | |
33 | 0***0 | Гайка | |
35 | 0***7 | Шайба | |
36 | 0***9 | Шайба | |
41 | 2***6 | Дизельный двигатель | |
42 | 2***1 | Амортизатор | |
43 | 2***4 | Опора двигателя | |
44 | 2***5 | Шайба | |
45 | 2***3 | Скоба | |
46 | Э***0 | Скоба | |
47 | 0***8 | Хомут | |
50 | Э***7 | Трубка |
Содержащиеся в справочниках-каталогах запасные части и детали не предлагаются к продаже, а носят исключительно информационный характер. В демо-версии артикулы (номера деталей) скрыты. Если вы хотите видеть полные оригинальные номера запчастей, вам необходимо зарегистрироваться на нашем сайте и приобрести подписку по интересующей вас конфигурации, после этого вы сможете встроить онлайн-каталоги на ваш сайт или пользоваться ими из личного кабинета нашего сайта. Обращаем ваше внимание на то, что каталоги содержат информацию об оригинальных заводских номерах и названиях запчастей. База по аналогам в данный момент не реализована. Поиска по VIN-номерам в онлайн-каталоге не предусмотрено. Выбор конкретного каталога осуществляется путем открытия нужного типа техники, марки, модели с учетом года выпуска или модификации.