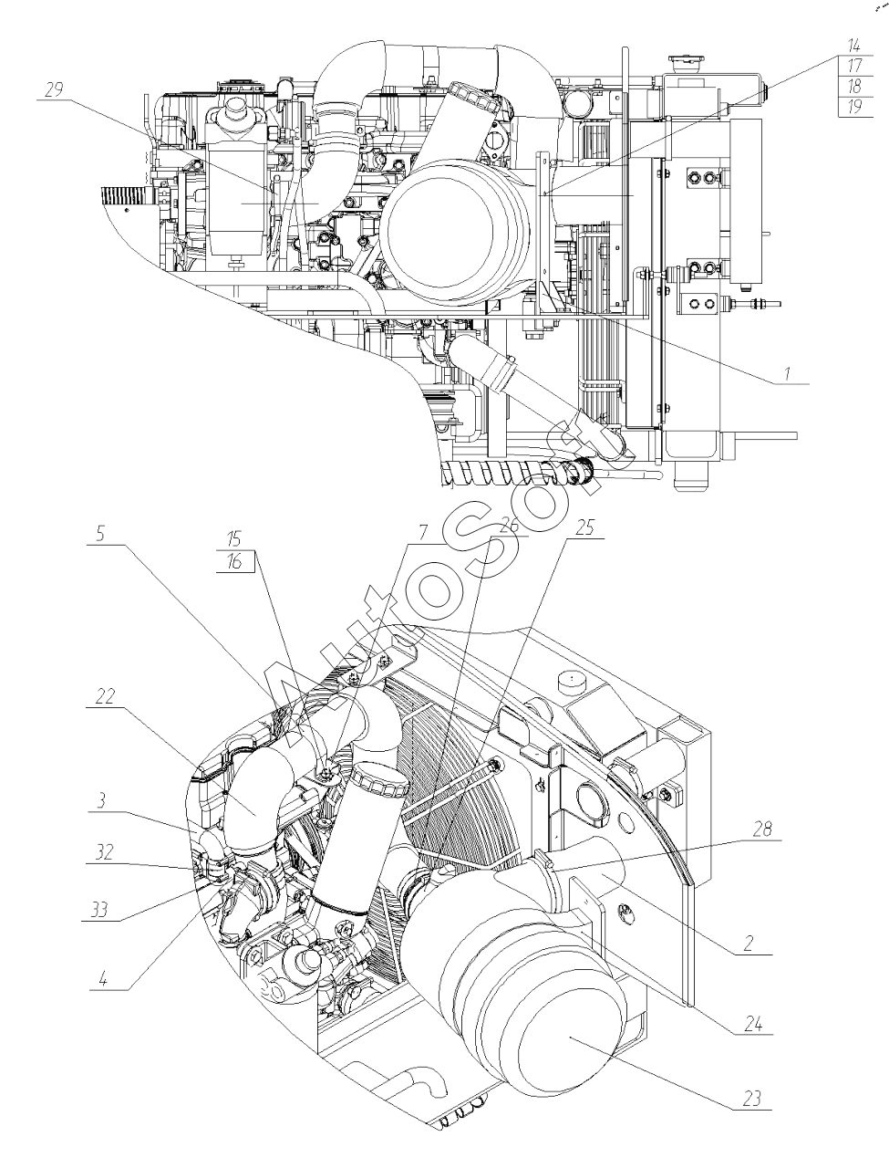
Каталог запасных частей к технике: ТВЭКС E200NC (2024). Установка воздухоочистителя. 175-20-28.04.000-37

18
33
32
29
28
26
25
24
23
22
19
1
17
16
15
14
7
5
4
3
2
Позиция на иллюстрации | Заводской номер детали | Название детали | |
---|---|---|---|
1 | 1***0 | Кронштейн | |
2 | 1***1 | Рукав | |
3 | 1***4 | Рукав | |
4 | 1***5 | Рукав | |
5 | 1***2 | Хомут | |
7 | 1***8 | Кронштейн | |
12 | 2***3 | Болт | |
13 | 2***0 | Болт | |
14 | 2***9 | Болт | |
15 | 2***6 | Болт | |
16 | 0***1 | Гайка | |
17 | 0***6 | Гайка | |
18 | 0***5 | Шайба | |
19 | 0***5 | Шайба | |
22 | 0***0 | Труба | |
23 | 2***0 | Воздушный фильтр | |
24 | 2***2 | Держатель | |
25 | 2***7 | Переключатель | |
26 | 2***5 | Прямой соединительный штуцер | |
27 | 2***3 | Рукав угловой 90 градусов | |
28 | 2***5 | Хомут | |
29 | 2***0 | Хомут | |
32 | 2***7 | Коннектор | |
33 | 0***2 | Хомут |
Содержащиеся в справочниках-каталогах запасные части и детали не предлагаются к продаже, а носят исключительно информационный характер. В демо-версии артикулы (номера деталей) скрыты. Если вы хотите видеть полные оригинальные номера запчастей, вам необходимо зарегистрироваться на нашем сайте и приобрести подписку по интересующей вас конфигурации, после этого вы сможете встроить онлайн-каталоги на ваш сайт или пользоваться ими из личного кабинета нашего сайта. Обращаем ваше внимание на то, что каталоги содержат информацию об оригинальных заводских номерах и названиях запчастей. База по аналогам в данный момент не реализована. Поиска по VIN-номерам в онлайн-каталоге не предусмотрено. Выбор конкретного каталога осуществляется путем открытия нужного типа техники, марки, модели с учетом года выпуска или модификации.