Каталог запасных частей к технике: ТВЭКС E225NC (2024). Гидроуправление экскаватором. 220-70-42.20.000

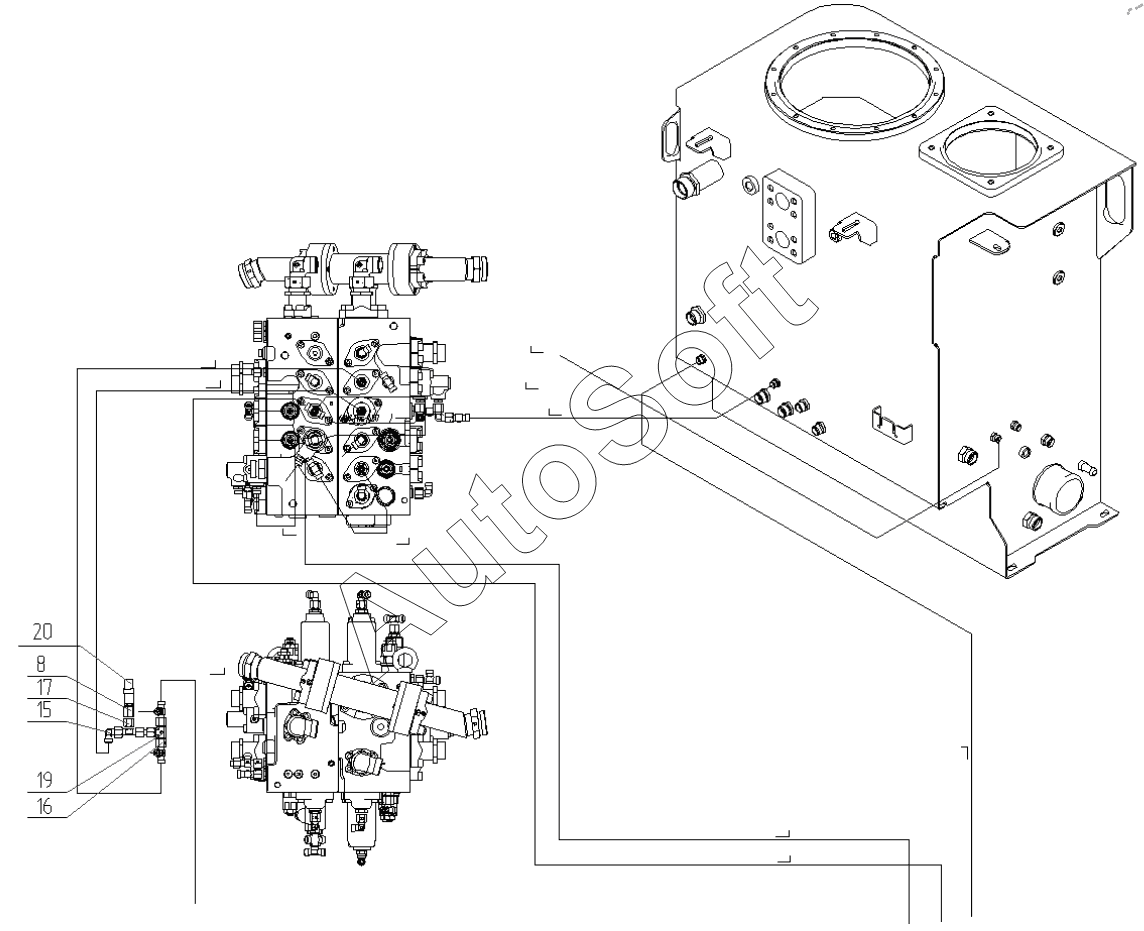
20
19
17
16
15
8
Позиция на иллюстрации | Заводской номер детали | Название детали | |
---|---|---|---|
1 | 2***0 | Клапан подготовки | |
2 | 2***0 | Клапан предохранительный | |
7 | 0***4 | Адаптер | |
8 | 2***5 | Адаптер | |
9 | 2***8 | Адаптер | |
14 | 2***3 | Адаптер | |
15 | 2***7 | Адаптер | |
16 | 2***5 | Адаптер | |
17 | 2***8 | Адаптер | |
18 | 2***0 | Измерительная муфта | |
19 | 2***7 | Клапан | |
20 | Э***9 | Преобразователь давления | |
21 | 0***4 | РВД | |
22 | 0***5 | РВД | |
23 | 0***0 | РВД | |
24 | 0***3 | РВД | |
25 | 2***7 | РВД | |
26 | 0***7 | РВД | |
27 | 0***1 | РВД | |
28 | 0***4 | РВД | |
31 | 0***7 | РВД | |
32 | 2***6 | РВД | |
33 | 0***8 | РВД | |
34 | 0***5 | РВД | |
35 | 2***9 | РВД | |
37 | 2***6 | РВД |
Содержащиеся в справочниках-каталогах запасные части и детали не предлагаются к продаже, а носят исключительно информационный характер. В демо-версии артикулы (номера деталей) скрыты. Если вы хотите видеть полные оригинальные номера запчастей, вам необходимо зарегистрироваться на нашем сайте и приобрести подписку по интересующей вас конфигурации, после этого вы сможете встроить онлайн-каталоги на ваш сайт или пользоваться ими из личного кабинета нашего сайта. Обращаем ваше внимание на то, что каталоги содержат информацию об оригинальных заводских номерах и названиях запчастей. База по аналогам в данный момент не реализована. Поиска по VIN-номерам в онлайн-каталоге не предусмотрено. Выбор конкретного каталога осуществляется путем открытия нужного типа техники, марки, модели с учетом года выпуска или модификации.