Каталог запасных частей к технике: ТВЭКС E330C (2024). Тележка гусеничная. 330-02-60.00.000

31
84
84
70
65
58
44
43
40
39
39
35
35
32
24
22
21
11
10
4
3
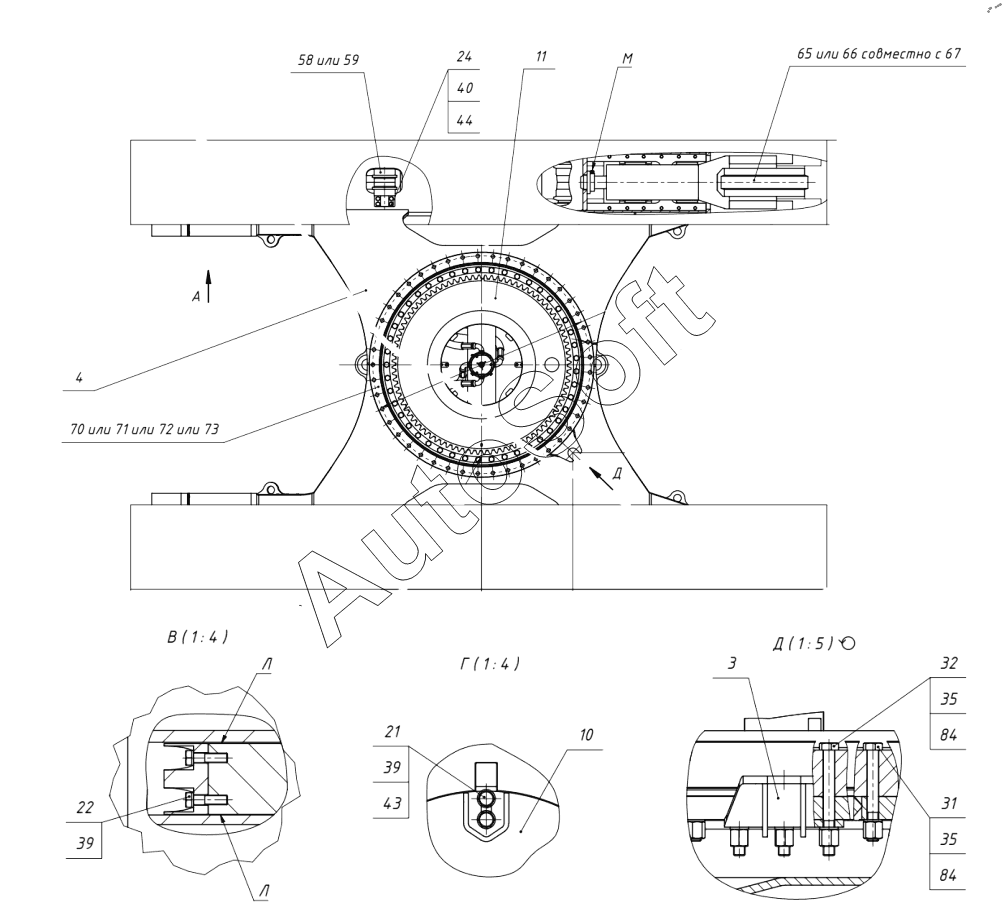
Позиция на иллюстрации | Заводской номер детали | Название детали | |
---|---|---|---|
1 | 3***0 | Крышка привода | |
2 | 3***0 | Крышка привода | |
3 | 3***0 | Кронштейн стопора | |
4 | 3***0 | Рама гусеничная | |
5 | 3***0 | Ограничитель | |
7 | 3***0 | Гидрооборудование тележки | |
10 | 1***9 | Люк в сборе | |
11 | 3***0 | Установка поддона ОПУ | |
14 | 1***3 | Крышка | |
15 | 3***3 | Ступенька | |
20 | 0***1 | Болт | |
21 | 0***1 | Болт | |
22 | 0***1 | Болт | |
24 | 0***1 | Болт | |
27 | 0***1 | Болт | |
28 | 0***1 | Болт | |
30 | 0***1 | Болт | |
31 | 0***1 | Болт | |
32 | 0***1 | Болт | |
35 | 0***1 | Гайка | |
38 | 0***1 | Шайба | |
39 | 0***1 | Шайба | |
40 | 0***1 | Шайба | |
42 | 0***1 | Шайба | |
43 | 0***1 | Шайба плоская | |
44 | 0***1 | Шайба | |
53 | 0***1 | Каток опорный | |
58 | 0***1 | Каток поддерживающий | |
65 | 0***1 | Колесо направляющее в сборе с механизмом натяжения | |
70 | 0***1 | Опорно-поворотный круг | |
83 | 0***1 | Шайба клиновая | |
84 | 0***1 | Шайба клиновая |
Содержащиеся в справочниках-каталогах запасные части и детали не предлагаются к продаже, а носят исключительно информационный характер. В демо-версии артикулы (номера деталей) скрыты. Если вы хотите видеть полные оригинальные номера запчастей, вам необходимо зарегистрироваться на нашем сайте и приобрести подписку по интересующей вас конфигурации, после этого вы сможете встроить онлайн-каталоги на ваш сайт или пользоваться ими из личного кабинета нашего сайта. Обращаем ваше внимание на то, что каталоги содержат информацию об оригинальных заводских номерах и названиях запчастей. База по аналогам в данный момент не реализована. Поиска по VIN-номерам в онлайн-каталоге не предусмотрено. Выбор конкретного каталога осуществляется путем открытия нужного типа техники, марки, модели с учетом года выпуска или модификации.