Каталог запасных частей к технике: ТВЭКС E330C (2024). Регулятор воздуха в сборе. 405-00-23.82.000

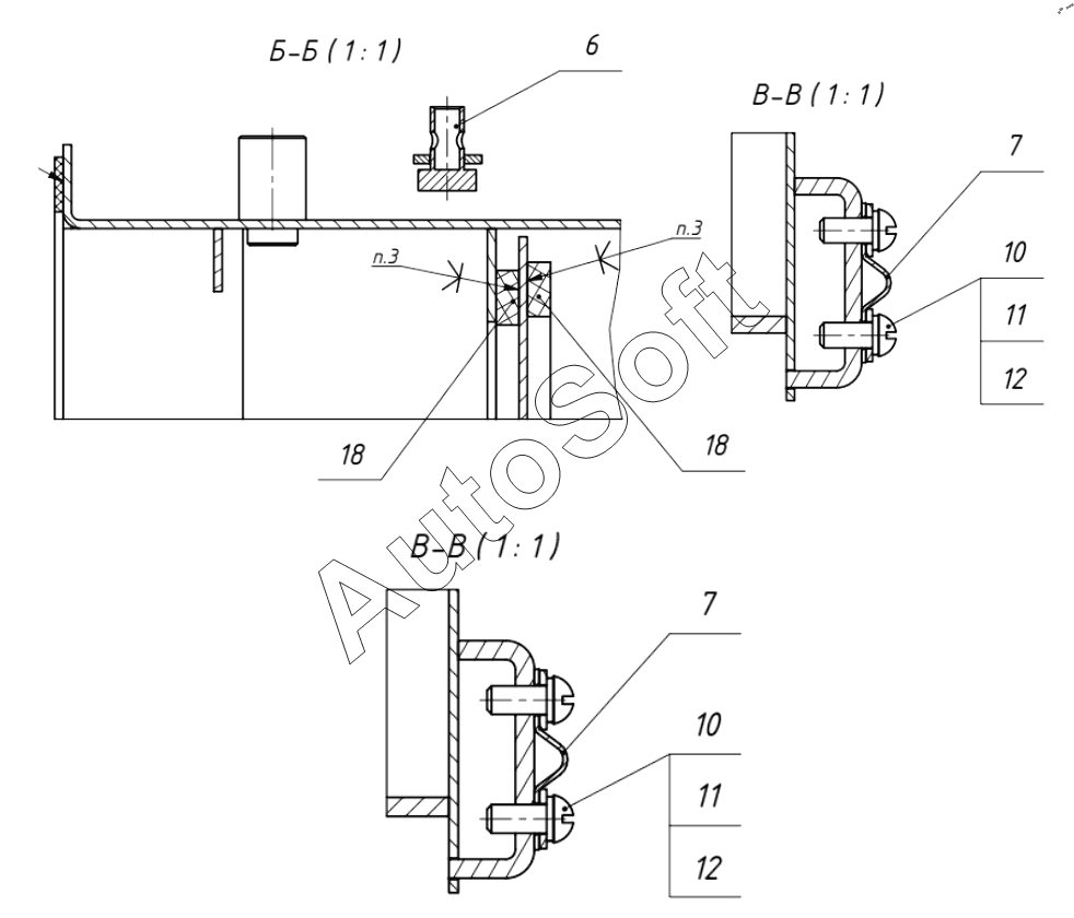
6
7
7
10
10
11
11
12
12
Позиция на иллюстрации | Заводской номер детали | Название детали | |
---|---|---|---|
1 | 4***0 | Корпус регулятора | |
2 | 4***0 | Заслонка | |
3 | 4***1 | Крышка | |
6 | Э***5 | Палец | |
7 | 3***3 | Скоба | |
10 | 0***2 | Винт | |
11 | 0***4 | Шайба | |
12 | 0***4 | Шайба | |
14 | Э***0 | Заклепка-гайка |
Содержащиеся в справочниках-каталогах запасные части и детали не предлагаются к продаже, а носят исключительно информационный характер. В демо-версии артикулы (номера деталей) скрыты. Если вы хотите видеть полные оригинальные номера запчастей, вам необходимо зарегистрироваться на нашем сайте и приобрести подписку по интересующей вас конфигурации, после этого вы сможете встроить онлайн-каталоги на ваш сайт или пользоваться ими из личного кабинета нашего сайта. Обращаем ваше внимание на то, что каталоги содержат информацию об оригинальных заводских номерах и названиях запчастей. База по аналогам в данный момент не реализована. Поиска по VIN-номерам в онлайн-каталоге не предусмотрено. Выбор конкретного каталога осуществляется путем открытия нужного типа техники, марки, модели с учетом года выпуска или модификации.