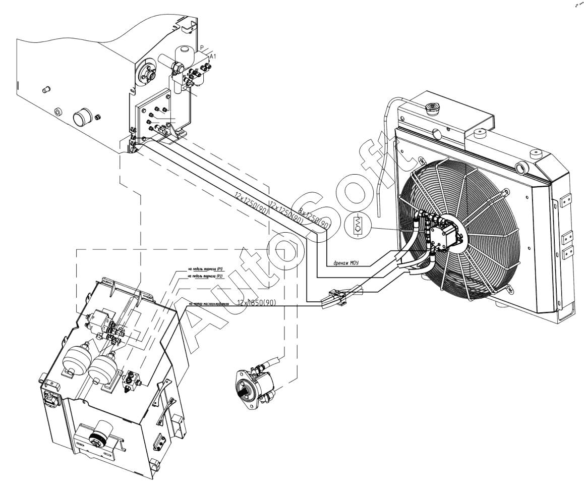
Каталог запасных частей к технике: ТВЭКС E200W (2024). Трубопроводы блока радиаторов. 170-70-41.50.000

Позиция на иллюстрации | Заводской номер детали | Название детали | |
---|---|---|---|
5 | 0***8 | Адаптер | |
7 | 2***3 | Адаптер | |
9 | 2***5 | Адаптер | |
11 | 2***7 | Адаптер | |
15 | 2***5 | Адаптер | |
20 | 2***0 | Адаптер | |
22 | 2***7 | РВД | |
24 | 0***4 | РВД | |
27 | 2***0 | Двойной зажим в сборе | |
29 | 0***8 | РВД |
Содержащиеся в справочниках-каталогах запасные части и детали не предлагаются к продаже, а носят исключительно информационный характер. В демо-версии артикулы (номера деталей) скрыты. Если вы хотите видеть полные оригинальные номера запчастей, вам необходимо зарегистрироваться на нашем сайте и приобрести подписку по интересующей вас конфигурации, после этого вы сможете встроить онлайн-каталоги на ваш сайт или пользоваться ими из личного кабинета нашего сайта. Обращаем ваше внимание на то, что каталоги содержат информацию об оригинальных заводских номерах и названиях запчастей. База по аналогам в данный момент не реализована. Поиска по VIN-номерам в онлайн-каталоге не предусмотрено. Выбор конкретного каталога осуществляется путем открытия нужного типа техники, марки, модели с учетом года выпуска или модификации.