Каталог запасных частей к технике: ТВЭКС E185W (ЕК-18). 314-02-70.40.000 Управление поворотом колес
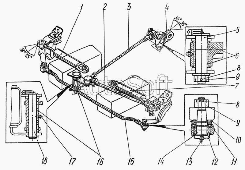
10
18
17
16
15
14
13
12
11
1
9
9
8
8
7
6
5
4
3
2
| Позиция на иллюстрации | Заводской номер детали | Название детали | |
|---|---|---|---|
| 1 | Э***0 | Гидроцилиндр | |
| 2 | Э***0 | Тяга поперечная буксировочная | |
| 3 | 3***6 | Тяга верхняя | |
| 4 | Э***5 | Водило | |
| 5 | Э***1 | Палец | |
| 6 | Э***3 | Втулка | |
| 7 | Э***0 | Гидроцилиндр | |
| 8 | 3***9 | Шплинт | |
| 9 | Э***4 | Гайка | |
| 10 | Э***3 | Шайба | |
| 11 | Э***8 | Уплотнение | |
| 12 | 3***5 | Подшипник | |
| 13 | 1***6 | Масленка | |
| 14 | Э***3 | Палец | |
| 15 | Э***0 | Тяга поперечная | |
| 16 | 3***0 | Рычаг двуплечий | |
| 17 | 1***р | Масленка | |
| 18 | Э***0 | Шкворень |
Содержащиеся в справочниках-каталогах запасные части и детали не предлагаются к продаже, а носят исключительно информационный характер. В демо-версии артикулы (номера деталей) скрыты. Если вы хотите видеть полные оригинальные номера запчастей, вам необходимо зарегистрироваться на нашем сайте и приобрести подписку по интересующей вас конфигурации, после этого вы сможете встроить онлайн-каталоги на ваш сайт или пользоваться ими из личного кабинета нашего сайта. Обращаем ваше внимание на то, что каталоги содержат информацию об оригинальных заводских номерах и названиях запчастей. База по аналогам в данный момент не реализована. Поиска по VIN-номерам в онлайн-каталоге не предусмотрено. Выбор конкретного каталога осуществляется путем открытия нужного типа техники, марки, модели с учетом года выпуска или модификации.