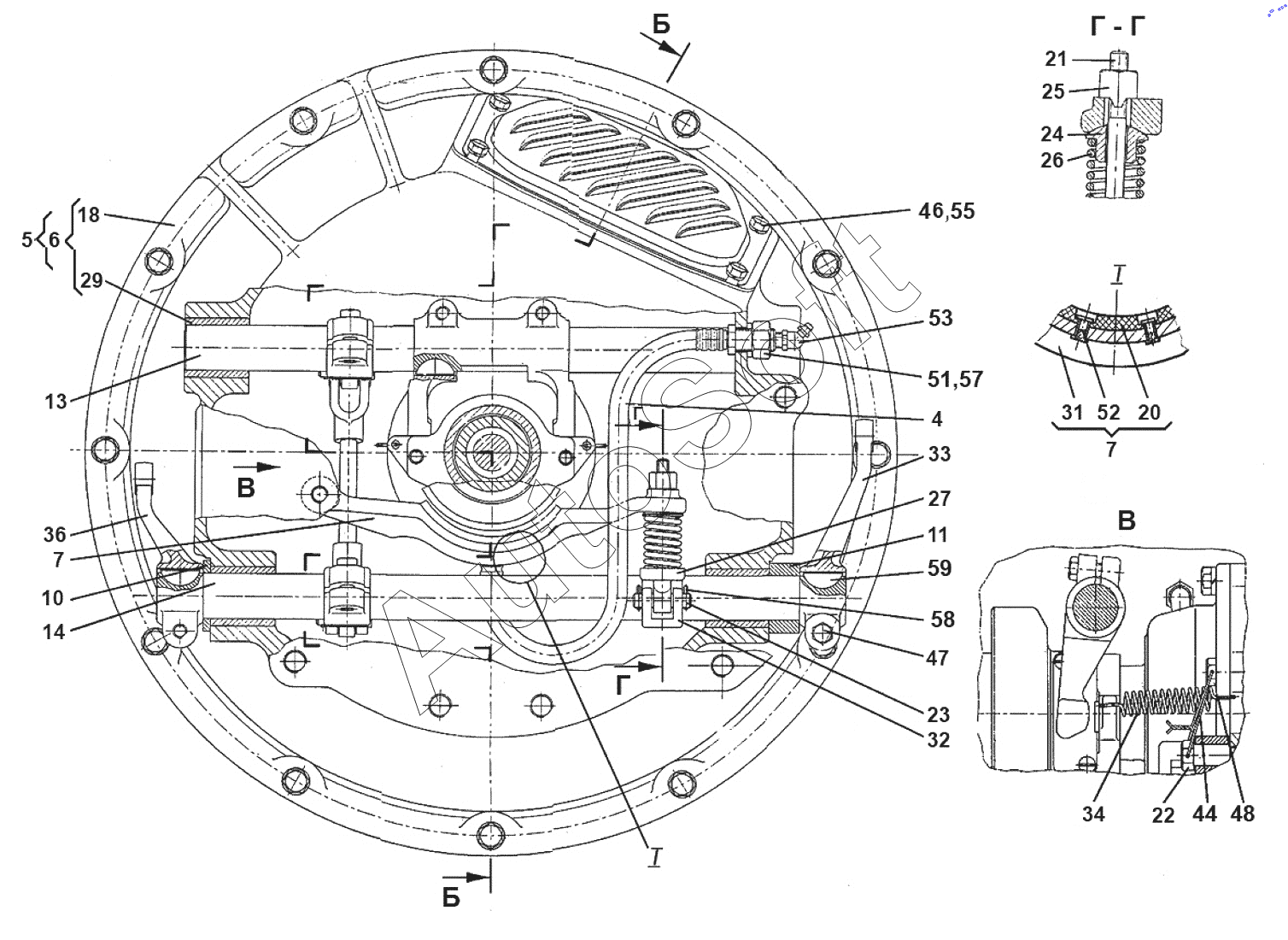
Каталог запасных частей к технике: ХТЗ 242К.20 (2020). 172.21.031 Муфта сцепления

4
5
6
7
7
10
11
13
14
18
20
21
22
23
24
25
26
27
29
31
32
33
34
36
44
46
47
48
51
52
53
55
57
58
59
Позиция на иллюстрации | Заводской номер детали | Название детали | |
---|---|---|---|
172.21.031 | 1***1 | Муфта главного сцепления | |
1 | 1***2 | Муфта | |
10 | 1***9 | Втулка | |
11 | 1***1 | Втулка | |
12 | 1***6 | Рычаг | |
13 | 1***7 | Валик | |
14 | 1***8 | Валик | |
15 | 1***1 | Пластина | |
16 | 1***1 | Пластина | |
17 | 1***А | Прокладка | |
18 | 1***2 | Корпус | |
19 | 1***2 | Стакан | |
2 | 1***3 | Тяга | |
20 | 1***2 | Накладка колодки тормозка | |
21 | 1***4 | Серьга тормозка | |
22 | 1***5 | Болт тормозка | |
23 | 1***6 | Палец | |
24 | 1***7 | Седло пружины | |
25 | 1***8 | Гайка регулировочная | |
26 | 1***9 | Пружина тормозка | |
27 | 1***0 | Стакан пружины тормозка | |
28 | 1***9 | Болт стопорный | |
29 | 1***2 | Втулка валика выключения | |
3 | 1***4 | Вал | |
30 | 1***2 | Крышка люка | |
31 | 1***А | Колодка тормозка | |
32 | 1***3 | Муфта серьги тормозка | |
33 | 1***4 | Рычаг выключения | |
34 | 1***0 | Пружина | |
35 | 1***7 | Ось | |
36 | 1***1 | Рычаг сервомеханизма | |
37 | 1***8 | Втулка с подшипником | |
38 | 1***3 | Кольцо | |
39 | 1***7 | Сухарь | |
4 | 1***5 | Трубка | |
40 | 1***0 | Кольцо | |
41 | 1***1 | Кольцо | |
42 | 1***5 | Шайба | |
43 | 1***7 | Кольцо | |
44 | П***0 | Проволока | |
45 | П***0 | Проволока | |
46 | Б***9 | Болт | |
47 | Б***9 | Болт | |
48 | Б***9 | Болт | |
49 | Б***9 | Болт | |
5 | 1***0 | Корпус муфты | |
50 | В***9 | Винт | |
51 | Г***2 | Гайка | |
52 | З***2 | Заклепка | |
53 | М***Л | Масленка | |
54 | П***7 | Подшипник | |
55 | Ш***5 | Шайба | |
55а | Ш***5 | Шайба | |
56 | Ш***5 | Шайба | |
57 | Ш***5 | Шайба | |
58 | Ш***6 | Шплинт | |
59 | Ш***1 | Шпонка | |
6 | 1***1 | Корпус муфты | |
7 | 1***8 | Колодка тормозка | |
8 | 1***0 | Корпус муфты | |
9 | 1***1 | Вилка |
Содержащиеся в справочниках-каталогах запасные части и детали не предлагаются к продаже, а носят исключительно информационный характер. В демо-версии артикулы (номера деталей) скрыты. Если вы хотите видеть полные оригинальные номера запчастей, вам необходимо зарегистрироваться на нашем сайте и приобрести подписку по интересующей вас конфигурации, после этого вы сможете встроить онлайн-каталоги на ваш сайт или пользоваться ими из личного кабинета нашего сайта. Обращаем ваше внимание на то, что каталоги содержат информацию об оригинальных заводских номерах и названиях запчастей. База по аналогам в данный момент не реализована. Поиска по VIN-номерам в онлайн-каталоге не предусмотрено. Выбор конкретного каталога осуществляется путем открытия нужного типа техники, марки, модели с учетом года выпуска или модификации.