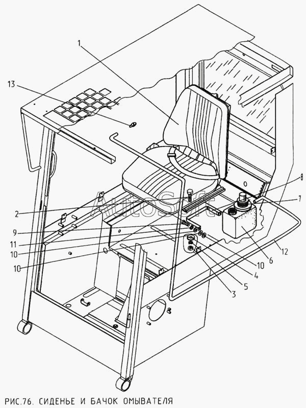
Каталог запасных частей к технике: КМЗ МКСМ-800. Сиденье и бачок омывателя
1
2
3
4
4
5
6
7
8
9
10
10
10
10
11
12
13
| Позиция на иллюстрации | Заводской номер детали | Название детали | |
|---|---|---|---|
| 1 | 5***К | Сиденье | |
| 2 | Б***0 | Болт М8-6gх30.46.019 ГОСТ 7796-70 | |
| 3 | Г***0 | Гайка М8-6Н.6.019 ГОСТ 59 15-70 | |
| 4 | Ш***8 | Шайба 8.01.0118 ГОСТ 11371-78 | |
| 4 | Ш***8 | Шайба 8.02.0118 ГОСТ 11371-78 | |
| 5 | Ш***0 | Шайба 8 Т 65Г 06 ГОСТ 6402-70 | |
| 6 | Б***1 | Бачок смывателя 11.52.08200-01 | |
| 7 | Н***0 | Насос с электродвигателем 11.02.5208100 | |
| 8 | 5***К | Лента | |
| 9 | В***0 | Винт М6-6gх12.66.019 ГОСТ 1491-80 | |
| 10 | Ш***8 | Шайба 6.01.0118 ГОСТ 11371-78 | |
| 10 | Ш***8 | Шайба 6.02.0118 ГОСТ 11371-78 | |
| 11 | Ш***0 | Шайба 6 Т 65Г 06 ГОСТ 6402-70 | |
| 12 | Т***2 | Трубка 305.ТВ-40.5, белая ГОСТ 19034-82 L=2600 мм | |
| 13 | Ж***Ч | Жиклер в сборе 11.52.08500-01 ГЧ |
Содержащиеся в справочниках-каталогах запасные части и детали не предлагаются к продаже, а носят исключительно информационный характер. В демо-версии артикулы (номера деталей) скрыты. Если вы хотите видеть полные оригинальные номера запчастей, вам необходимо зарегистрироваться на нашем сайте и приобрести подписку по интересующей вас конфигурации, после этого вы сможете встроить онлайн-каталоги на ваш сайт или пользоваться ими из личного кабинета нашего сайта. Обращаем ваше внимание на то, что каталоги содержат информацию об оригинальных заводских номерах и названиях запчастей. База по аналогам в данный момент не реализована. Поиска по VIN-номерам в онлайн-каталоге не предусмотрено. Выбор конкретного каталога осуществляется путем открытия нужного типа техники, марки, модели с учетом года выпуска или модификации.