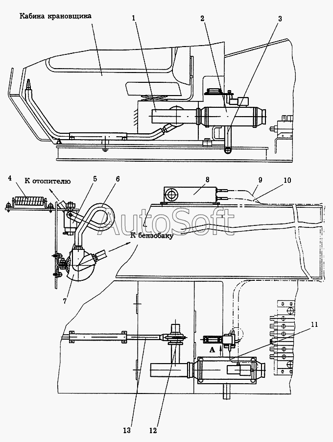
Каталог запасных частей к технике: Автокран КС-6973А (2002). Установка отопителя KC-6973A.55.000
1
2
3
4
5
6
7
8
9
10
11
12
13
| Позиция на иллюстрации | Заводской номер детали | Название детали | |
|---|---|---|---|
| 1 | К***0 | Воздуховод | |
| 2 | 0***4 | Отопитель | |
| 3 | К***9 | Труба | |
| 4 | O***0 | Электросопротивление 0,65 Ом | |
| 5 | 9***2 | Бензоотстойник | |
| 6 | К***2 | Рукав | |
| 7 | B***0 | Бензонасос | |
| 8 | К***0 | Бак | |
| 9 | К***4 | Рукав | |
| 10 | К***3 | Рукав | |
| 11 | К***1 | Рукав | |
| 12 | 5***0 | Вентилятор | |
| 13 | К***5 | Рукав |
Содержащиеся в справочниках-каталогах запасные части и детали не предлагаются к продаже, а носят исключительно информационный характер. В демо-версии артикулы (номера деталей) скрыты. Если вы хотите видеть полные оригинальные номера запчастей, вам необходимо зарегистрироваться на нашем сайте и приобрести подписку по интересующей вас конфигурации, после этого вы сможете встроить онлайн-каталоги на ваш сайт или пользоваться ими из личного кабинета нашего сайта. Обращаем ваше внимание на то, что каталоги содержат информацию об оригинальных заводских номерах и названиях запчастей. База по аналогам в данный момент не реализована. Поиска по VIN-номерам в онлайн-каталоге не предусмотрено. Выбор конкретного каталога осуществляется путем открытия нужного типа техники, марки, модели с учетом года выпуска или модификации.