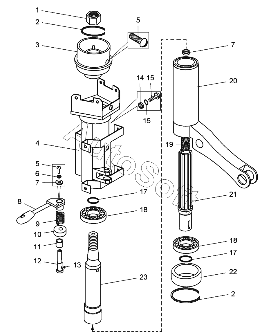
Каталог запасных частей к технике: БелАЗ 78231 (2019). Колонка рулевого управления (75474-3444010-01);Steering column

12
23
22
21
20
19
18
18
17
17
16
15
14
13
1
11
10
9
8
7
7
6
5
5
4
3
2
2
Позиция на иллюстрации | Заводской номер детали | Название детали | |
---|---|---|---|
1 | Г***) | Гайка | |
2 | 5***8 | Кольцо упорное | |
3 | 7***9 | Втулка сбрасывателя | |
4 | 7***0 | Кожух | |
5 | В***9 | Винт | |
6 | Ш***6 | Шайба 5Т.65Г.06 | |
7 | Ш***9 | Шайба | |
8 | 7***0 | Рукоятка | |
9 | 6***0 | Пружина | |
10 | 7***0 | Втулка | |
11 | 7***7 | Втулка | |
12 | 7***0 | Ось | |
13 | 3***3 | Шпонка | |
14 | 7***5 | Кольцо | |
15 | В***9 | Винт B.M6-6gx16.48.019 | |
16 | Ш***6 | Шайба | |
17 | 5***8 | Кольцо | |
18 | П***6 | Подшипник 1000906 | |
19 | 5***4 | Пружина | |
20 | 7***0 | Труба колонки | |
21 | 7***0 | Вал | |
22 | 7***8 | Втулка | |
23 | 7***0 | Вал |
Содержащиеся в справочниках-каталогах запасные части и детали не предлагаются к продаже, а носят исключительно информационный характер. В демо-версии артикулы (номера деталей) скрыты. Если вы хотите видеть полные оригинальные номера запчастей, вам необходимо зарегистрироваться на нашем сайте и приобрести подписку по интересующей вас конфигурации, после этого вы сможете встроить онлайн-каталоги на ваш сайт или пользоваться ими из личного кабинета нашего сайта. Обращаем ваше внимание на то, что каталоги содержат информацию об оригинальных заводских номерах и названиях запчастей. База по аналогам в данный момент не реализована. Поиска по VIN-номерам в онлайн-каталоге не предусмотрено. Выбор конкретного каталога осуществляется путем открытия нужного типа техники, марки, модели с учетом года выпуска или модификации.