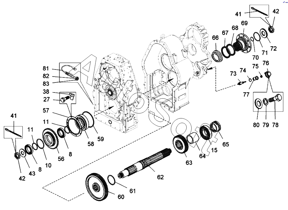
Каталог запасных частей к технике: БелАЗ 78231 (2019). Коробка передач (7822-1701002-20);Gearbox

8
8
10
11
11
15
27
38
41
41
42
42
43
56
57
58
59
60
61
62
63
64
65
66
67
68
69
70
71
72
73
74
75
76
77
78
79
80
81
82
83
Позиция на иллюстрации | Заводской номер детали | Название детали | |
---|---|---|---|
1 | 7***0 | Вал первичный | |
2 | 7***8 | Кольцо распорное | |
3 | П***5 | Подшипник 50316К5 | |
4 | 7***5 | Кольцо | |
5 | 5***2 | Кольцо | |
6 | 7***0 | Фрикцион 2 передачи | |
7 | 7***3 | Втулка | |
8 | П***Л | Подшипник 6-116Л | |
9 | 7***0 | Шестерня 1 передачи в сборе | |
10 | 5***4 | Кольцо | |
11 | 7***8 | Кольцо распорное | |
12 | 7***1 | Втулка | |
13 | 7***8 | Крышка | |
14 | 7***0 | Шестерня II передачи в сборе | |
15 | П***М | Подшипник 12316КМ | |
16 | 7***8 | Скоба замковая | |
17 | Б***9 | Болт M10-6gх20.68.019 | |
18 | 5***0 | Скоба замковая | |
19 | 7***2 | Шестерня привода реверсивного вала ведущая | |
20 | 7***5 | Прокладка | |
21 | 7***0 | Крышка шестерен привода реверсивного вала | |
22 | Б***9 | Болт M12-6gх120.68.019 | |
23 | Ш***6 | Шайба 12 ОТ.65Г.06 | |
24 | Б***9 | Болт M12-6gх30.68.019 | |
25 | 7***6 | Прокладка верхняя | |
26 | Б***9 | Болт M12-6gх100.88.019 | |
27 | Б***9 | Болт М12-6gх45.109.40Х.019 | |
28 | 2***7 | Шайба | |
29 | К***6 | Кольцо 012-016-25-2-6 | |
30 | 7***7 | Прокладка нижняя | |
31 | 7***0 | Картер коробки передач | |
32 | Г***D | Гайка шестигранная нормальная | |
33 | 7***8 | Прокладка правая | |
34 | 7***9 | Прокладка левая | |
35 | 7***7 | Прокладка нижняя | |
36 | 7***0 | Картер гидромеханической передачи | |
37 | 3***5 | Шпилька | |
38 | 3***3 | Пластина стопорная | |
39 | 7***1 | Ступица гидротрансформатора в сборе | |
40 | 7***4 | Кронштейн | |
41 | Ш***9 | Шплинт 6,3х80.01.019 | |
42 | 3***0 | Гайка | |
43 | 7***8 | Шайба | |
44 | 7***4 | Втулка | |
45 | 7***1 | Фрикцион повышающего диапазона | |
46 | 7***0 | Шестерня повышающего диапазона | |
47 | 7***0 | Фрикцион понижающего диапазона | |
48 | 7***6 | Втулка | |
49 | 7***0 | Шестерня понижающего диапазона | |
50 | 7***1 | Вал диапазонный в сборе | |
51 | П***4 | Подшипник 53614 | |
52 | 5***9 | Кольцо | |
53 | 7***8 | Шестерня привода реверсивного вала | |
54 | 7***0 | Вал реверсивный в сборе | |
55 | 7***0 | Втулка | |
56 | 7***6 | Блок-шестерня | |
57 | 7***8 | Кольцо | |
58 | П***6 | Подшипник 50416 | |
59 | 5***6 | Кольцо | |
60 | 7***0 | Шестерня понижающего диапазона | |
61 | 7***0 | Кольцо | |
62 | 7***0 | Вал выходной | |
63 | 7***8 | Шестерня повышающего диапазона | |
64 | 7***6 | Втулка | |
65 | 7***2 | Шестерня привода спидометра | |
66 | 7***4 | Отражатель | |
67 | М***3 | Манжета 1.2-105х138-3 | |
68 | 5***2 | Сальник | |
69 | 7***2 | Фланец | |
70 | К***6 | Кольцо 050-055-30-2-6 | |
71 | К***6 | Кольцо 096-102-36-2-6 | |
72 | 5***0 | Шайба | |
73 | 7***4 | Шестерня | |
74 | К***6 | Кольцо 029-035-36-2-6 | |
75 | М***3 | Манжета 1.2-10х25-3 | |
76 | П***1 | Датчик импульсов | |
77 | 7***0 | Втулка | |
78 | Б***9 | Болт M8-6gх16.68.019 | |
79 | Ш***6 | Шайба 8Т.65Г.06 | |
80 | 2***5 | Шайба | |
81 | Д***1 | Датчик частоты | |
82 | 5***6 | Шайба | |
83 | 7***2 | Корпус датчика | |
84 | Б***9 | Болт M12-6gх25.68.019 | |
85 | 7***0 | Корпус фильтра | |
86 | К***6 | Кольцо 040-045-30-2-6 | |
87 | 7***0 | Патрубок | |
88 | Ш***6 | Шайба | |
89 | В***9 | Винт B.М6-6gх10.48.019 | |
90 | 7***6 | Прижим | |
91 | 7***0 | Корпус маслозаборника | |
92 | К***6 | Кольцо 120-126-36-2-6 | |
93 | 7***0 | Элемент фильтрующий в сборе | |
94 | 5***2 | Пружина застежки | |
95 | К***6 | Кольцо 115-125-58-2-6 | |
96 | 7***1 | Крышка | |
97 | 7***0 | Элемент фильтрующий в сборе | |
98 | К***6 | Кольцо 114-120-36-2-6 | |
99 | К***6 | Кольцо 045-050-30-2-6 | |
100 | К***6 | Кольцо 055-060-30-2-6 | |
101 | 7***0 | Корпус подпорного клапана в сборе | |
102 | 7***8 | Втулка | |
103 | 2***9 | Шайба | |
104 | Ш***6 | Шайба 10 ОТ.65Г.06 | |
105 | Б***9 | Болт M10-6gх35.68.019 | |
106 | 7***6 | Гильза | |
107 | 7***4 | Пружина | |
108 | 7***1 | Клапан | |
109 | 7***6 | Седло | |
110 | 5***9 | Кольцо | |
111 | 7***0 | Трубопровод подводящий | |
112 | 7***8 | Крышка | |
113 | К***6 | Кольцо 008-012-25-2-6 | |
114 | 3***5 | Пластина | |
115 | 7***0 | Брызговик шестерен | |
116 | 7***9 | Уплотнитель | |
117 | 7***0 | Брызговик | |
118 | 7***8 | Уплотнитель | |
119 | 7***0 | Брызговик | |
120 | 7***1 | Крышка в сборе | |
121 | К***6 | Кольцо 019-023-25-2-6 | |
122 | 7***2 | Трубка смазки | |
123 | 3***2 | Муфта | |
124 | 3***0 | Гайка накидная | |
125 | 7***1 | Крышка диапазонного вала в сборе | |
126 | 7***2 | Труба | |
127 | 3***5 | Гайка | |
128 | 3***5 | Муфта | |
129 | 3***2 | Угольник | |
130 | 2***6 | Шайба | |
131 | 3***1 | Болт | |
132 | 7***0 | Механизм управления гидромеханической передачей | |
133 | 7***0 | Прокладка | |
134 | 7***0 | Механизм привода управления блокировки гидротрансформатора | |
135 | Б***9 | Болт 3M12-6gх80.68.019 | |
136 | 3***8 | Болт | |
137 | 7***0 | Клапан корректирующий | |
138 | 7***6 | Прокладка | |
139 | 7***0 | Коробка золотниковая | |
140 | 7***0 | Прокладка корпуса золотников |
Содержащиеся в справочниках-каталогах запасные части и детали не предлагаются к продаже, а носят исключительно информационный характер. В демо-версии артикулы (номера деталей) скрыты. Если вы хотите видеть полные оригинальные номера запчастей, вам необходимо зарегистрироваться на нашем сайте и приобрести подписку по интересующей вас конфигурации, после этого вы сможете встроить онлайн-каталоги на ваш сайт или пользоваться ими из личного кабинета нашего сайта. Обращаем ваше внимание на то, что каталоги содержат информацию об оригинальных заводских номерах и названиях запчастей. База по аналогам в данный момент не реализована. Поиска по VIN-номерам в онлайн-каталоге не предусмотрено. Выбор конкретного каталога осуществляется путем открытия нужного типа техники, марки, модели с учетом года выпуска или модификации.