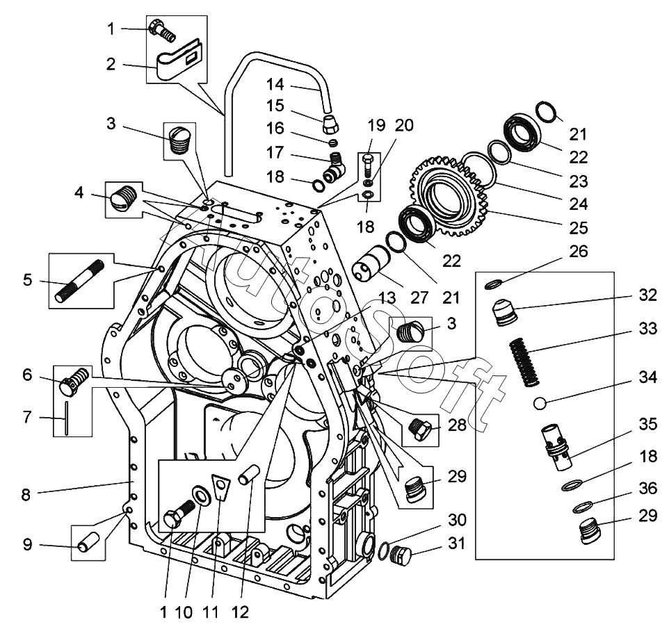
Каталог запасных частей к технике: БелАЗ 78231 (2019). Картер гидромеханической передачи (7547-1701320);Carter Hydromechanical transmission

28
20
21
21
22
22
23
24
25
26
27
19
29
29
30
31
32
33
34
35
36
10
2
3
3
4
5
6
7
8
9
1
1
11
12
13
14
15
16
17
18
18
18
Позиция на иллюстрации | Заводской номер детали | Название детали | |
---|---|---|---|
1 | Б***9 | Болт M10-6gх20.68.019 | |
2 | 3***1 | Кляммер | |
3 | 2***4 | Пробка | |
4 | 2***1 | Пробка | |
5 | 3***9 | Шпилька | |
6 | Б***6 | Болт 3M14х1,5-6gх30.109.40Х.06 | |
7 | 2***2 | Шплинт | |
8 | 7***2 | Картер гидромеханической передачи | |
9 | 3***5 | Штифт | |
10 | 2***9 | Шайба | |
11 | 3***5 | Пластина | |
12 | 3***2 | Штифт | |
13 | 7***8 | Шайба упорная | |
14 | 7***2 | Труба | |
15 | 3***1 | Гайка | |
16 | 3***6 | Муфта | |
17 | 7***4 | Угольник | |
18 | К***6 | Кольцо 024-030-36-2-6 | |
19 | Б***9 | Болт M12-6gх25.68.019 | |
20 | 2***7 | Шайба | |
21 | 5***9 | Кольцо | |
22 | П***А | Подшипник 210А | |
23 | 7***8 | Кольцо распорное | |
24 | 6***9 | Кольцо опорное | |
25 | 7***2 | Шестерня | |
26 | К***6 | Кольцо 020-025-30-2-6 | |
27 | 7***4 | Ось | |
28 | 2***2 | Пробка | |
29 | 3***0 | Пробка М33х1,5 | |
30 | К***6 | Кольцо 040-045-30-2-6 | |
31 | 3***3 | Пробка | |
32 | 7***0 | Опора | |
33 | 7***2 | Пружина | |
34 | Ш***0 | Шарик 17,462-60 | |
35 | 7***0 | Седло | |
36 | К***6 | Кольцо 030-035-30-2-6 |
Содержащиеся в справочниках-каталогах запасные части и детали не предлагаются к продаже, а носят исключительно информационный характер. В демо-версии артикулы (номера деталей) скрыты. Если вы хотите видеть полные оригинальные номера запчастей, вам необходимо зарегистрироваться на нашем сайте и приобрести подписку по интересующей вас конфигурации, после этого вы сможете встроить онлайн-каталоги на ваш сайт или пользоваться ими из личного кабинета нашего сайта. Обращаем ваше внимание на то, что каталоги содержат информацию об оригинальных заводских номерах и названиях запчастей. База по аналогам в данный момент не реализована. Поиска по VIN-номерам в онлайн-каталоге не предусмотрено. Выбор конкретного каталога осуществляется путем открытия нужного типа техники, марки, модели с учетом года выпуска или модификации.