Каталог запасных частей к технике: ЧСДМ ДЗ-98В.1 (2010). Колонка рулевая (ДЗ-140А.50.20.000-10)
25
17
17
17
17
17
18
19
19
20
21
22
23
24
16
16
16
16
26
27
28
29
30
31
32
1
1
15
14
13
12
11
10
9
8
7
6
5
4
4
3
3
2
2
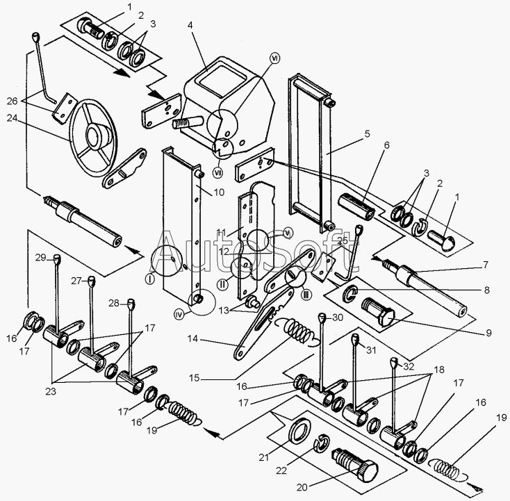
| Позиция на иллюстрации | Заводской номер детали | Название детали | |
|---|---|---|---|
| 1 | В***3 | Винт | |
| 2 | 4***2 | Шайба | |
| 3 | С***1 | Шайба | |
| 4 | Д***1 | Пульт управления | |
| 4 | Д***0 | Пульт управления | |
| 5 | Д***0 | Корпус | |
| 6 | Д***3 | Муфта | |
| 7 | Д***0 | Вал | |
| 8 | 1***2 | Шайба | |
| 9 | M***8 | Болт | |
| 10 | Д***0 | Корпус | |
| 11 | Д***3 | Шторка | |
| 12 | Д***2 | Шторка | |
| 13 | Д***0 | Рычаг | |
| 14 | Д***0 | Рычаг | |
| 15 | Д***8 | Пружина | |
| 16 | 0***3 | Шайба | |
| 17 | Д***3 | Кольцо | |
| 18 | Д***0 | Рычаг | |
| 19 | 0***1 | Пружина | |
| 20 | Д***9 | Болт | |
| 21 | 0***1 | Шайба | |
| 22 | 8***2 | Шайба | |
| 23 | Д***0 | Рычаг | |
| 24 | 4***В | Колесо рулевое | |
| 25 | Д***0 | Ручка | |
| 26 | Д***1 | Ручка | |
| 27 | Д***0 | Ручка | |
| 28 | Д***1 | Ручка | |
| 29 | Д***4 | Ручка | |
| 30 | Д***7 | Ручка | |
| 31 | Д***8 | Ручка | |
| 32 | Д***9 | Ручка |
Содержащиеся в справочниках-каталогах запасные части и детали не предлагаются к продаже, а носят исключительно информационный характер. В демо-версии артикулы (номера деталей) скрыты. Если вы хотите видеть полные оригинальные номера запчастей, вам необходимо зарегистрироваться на нашем сайте и приобрести подписку по интересующей вас конфигурации, после этого вы сможете встроить онлайн-каталоги на ваш сайт или пользоваться ими из личного кабинета нашего сайта. Обращаем ваше внимание на то, что каталоги содержат информацию об оригинальных заводских номерах и названиях запчастей. База по аналогам в данный момент не реализована. Поиска по VIN-номерам в онлайн-каталоге не предусмотрено. Выбор конкретного каталога осуществляется путем открытия нужного типа техники, марки, модели с учетом года выпуска или модификации.