Каталог запасных частей к технике: ЧСДМ ДЗ-98В (2003). Оборудование путепрокладочное
9
9
17
16
15
14
13
12
11
10
1
8
7
6
5
4
3
2
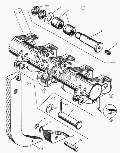
| Позиция на иллюстрации | Заводской номер детали | Название детали | |
|---|---|---|---|
| 1 | Д***0 | Вилка | |
| 2 | Д***0 | Крышка | |
| 3 | Д***3 | Штифт | |
| 4 | М***8 | Болт | |
| 5 | 2***2 | Шайба | |
| 6 | Д***5 | Палец | |
| 7 | 1***2 | Шайба | |
| 8 | М***8 | Болт | |
| 9 | 1***3 | Масленка | |
| 10 | Д***1 | Ось | |
| 11 | Д***1 | Втулка | |
| 12 | 0***1 | Шайба | |
| 13 | 0***3 | Гайка | |
| 14 | Д***0 | Ось | |
| 15 | Д***7 | Серьга | |
| 16 | М***8 | Болт | |
| 17 | 1***2 | Шайба |
Содержащиеся в справочниках-каталогах запасные части и детали не предлагаются к продаже, а носят исключительно информационный характер. В демо-версии артикулы (номера деталей) скрыты. Если вы хотите видеть полные оригинальные номера запчастей, вам необходимо зарегистрироваться на нашем сайте и приобрести подписку по интересующей вас конфигурации, после этого вы сможете встроить онлайн-каталоги на ваш сайт или пользоваться ими из личного кабинета нашего сайта. Обращаем ваше внимание на то, что каталоги содержат информацию об оригинальных заводских номерах и названиях запчастей. База по аналогам в данный момент не реализована. Поиска по VIN-номерам в онлайн-каталоге не предусмотрено. Выбор конкретного каталога осуществляется путем открытия нужного типа техники, марки, модели с учетом года выпуска или модификации.