Каталог запасных частей к технике: ЧСДМ WL50 (2023). КПП в сборе 2 (370801)

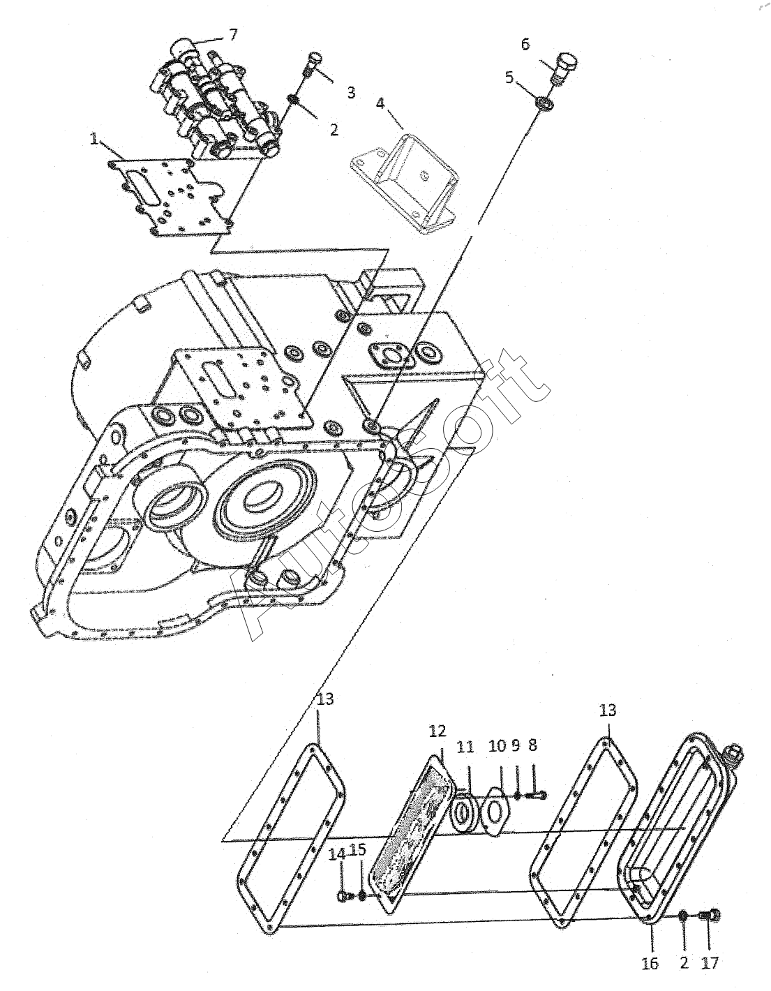
9
17
16
15
14
13
13
12
11
10
1
8
7
6
5
4
3
2
2
Позиция на иллюстрации | Заводской номер детали | Название детали | |
---|---|---|---|
1 | B***8 | Прокладка | |
2 | 0***0 | Шайба | |
3 | 0***0 | Болт | |
4 | B***0 | Опора | |
5 | 0***4 | Шайба | |
6 | 0***0 | Болт | |
7 | B***0 | Блок клапанов | |
8 | 0***0 | Болт | |
9 | 0***9 | Шайба | |
10 | B***1 | Пластина | |
11 | B***8 | Магнит | |
12 | B***0 | Фильтр-модуль | |
13 | B***7 | Прокладка | |
14 | 0***0 | Болт | |
15 | 0***5 | Шайба | |
16 | B***0 | Масляный картер | |
17 | 0***0 | Болт |
Содержащиеся в справочниках-каталогах запасные части и детали не предлагаются к продаже, а носят исключительно информационный характер. В демо-версии артикулы (номера деталей) скрыты. Если вы хотите видеть полные оригинальные номера запчастей, вам необходимо зарегистрироваться на нашем сайте и приобрести подписку по интересующей вас конфигурации, после этого вы сможете встроить онлайн-каталоги на ваш сайт или пользоваться ими из личного кабинета нашего сайта. Обращаем ваше внимание на то, что каталоги содержат информацию об оригинальных заводских номерах и названиях запчастей. База по аналогам в данный момент не реализована. Поиска по VIN-номерам в онлайн-каталоге не предусмотрено. Выбор конкретного каталога осуществляется путем открытия нужного типа техники, марки, модели с учетом года выпуска или модификации.