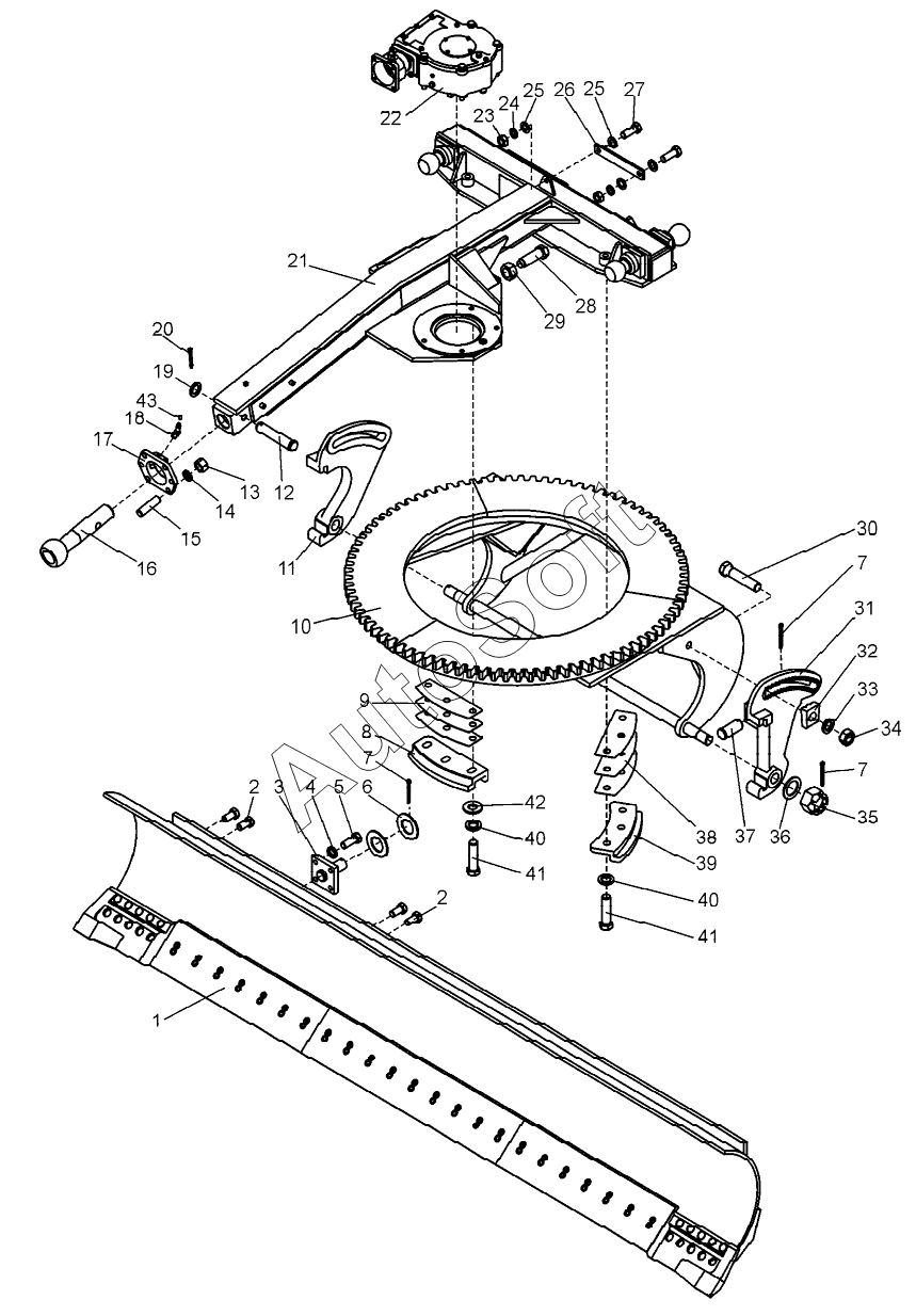
Каталог запасных частей к технике: ЧСДМ ДЗ-98В (2022). Рама тяговая с отвалом (ДЗ-98.34.00.000-01);Traction frame with mouldboard

14
26
25
25
24
23
22
21
20
19
18
17
16
15
1
13
12
11
10
9
8
7
7
7
6
5
4
3
2
2
Позиция на иллюстрации | Заводской номер детали | Название детали | |
---|---|---|---|
1 | Д***0 | Отвал | |
2 | Б***9 | Болт М20-6gx40.58.019 | |
3 | Д***0 | Опора штока | |
4 | Ш***9 | Шайба 20.65Г.069 | |
5 | Б***9 | Болт М20-6gx55.58.019 | |
6 | 0***1 | Шайба | |
7 | Ш***9 | Шплинт 8х71.019 | |
8 | Д***6 | Накладка | |
9 | Д***8 | Прокладка | |
10 | Д***0 | Круг поворотный | |
11 | Д***7 | Кронштейн правый | |
12 | П***6 | Палец | |
13 | Г***9 | Гайка М24-6Н.5.019 | |
14 | Ш***9 | Шайба 24.65Г.069 | |
15 | Д***1 | Шпилька специальная | |
16 | Д***4 | Шкворень | |
17 | Д***4 | Опора шкворня | |
18 | М***6 | Масленка 2.2.45.Ц6 | |
19 | Д***6 | Кольцо | |
20 | Ш***9 | Шплинт 5х40.019 | |
21 | Д***0 | Рама тяговая | |
22 | Д***0 | Редуктор поворота отвала | |
23 | Г***) | Гайка М20-6Н.5.019(S30) | |
24 | Ш***9 | Шайба 20.65Г.069 | |
25 | Ш***9 | Шайба С20.02.019 | |
26 | В***1 | Тяга |
Содержащиеся в справочниках-каталогах запасные части и детали не предлагаются к продаже, а носят исключительно информационный характер. В демо-версии артикулы (номера деталей) скрыты. Если вы хотите видеть полные оригинальные номера запчастей, вам необходимо зарегистрироваться на нашем сайте и приобрести подписку по интересующей вас конфигурации, после этого вы сможете встроить онлайн-каталоги на ваш сайт или пользоваться ими из личного кабинета нашего сайта. Обращаем ваше внимание на то, что каталоги содержат информацию об оригинальных заводских номерах и названиях запчастей. База по аналогам в данный момент не реализована. Поиска по VIN-номерам в онлайн-каталоге не предусмотрено. Выбор конкретного каталога осуществляется путем открытия нужного типа техники, марки, модели с учетом года выпуска или модификации.