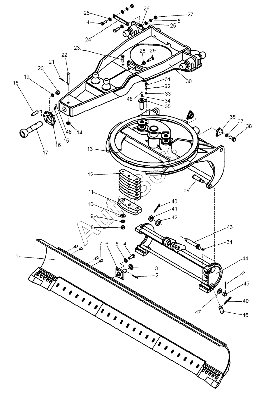
Каталог запасных частей к технике: ЧСДМ ДЗ-98В (2022). Рама тяговая с отвалом (ДЗ-98Д.34.00.000);Traction frame with mouldboard

38
26
27
28
29
30
31
32
33
34
34
35
36
37
25
25
39
40
40
41
42
43
44
45
46
47
48
48
13
2
2
3
4
4
5
5
6
7
8
9
10
11
12
1
14
15
16
17
18
19
20
21
22
23
24
Позиция на иллюстрации | Заводской номер детали | Название детали | |
---|---|---|---|
Д498-06-191 | Д***1 | Гайка | |
1 | Д***0 | Отвал | |
2 | Ш***9 | Шплинт 6,3х71.019 | |
3 | 0***1 | Шайба | |
4 | Б***) | Болт М20-6gх55.58.019(S30) | |
5 | Ш***9 | Шайба | |
6 | Д***0 | Опора штока | |
7 | Б***9 | Болт М20-6gx40.58.019 | |
8 | Д***8 | Гайка | |
9 | Ш***9 | Шайба 27.65Г.069 | |
10 | Д***3 | Шайба | |
11 | Д***6 | Накладка | |
12 | Д***7 | Прокладка | |
13 | Д***0 | Рама | |
14 | Д***6 | Кольцо | |
15 | М***6 | Масленка 2.2.45.Ц6 | |
16 | Д***4 | Опора шкворня | |
17 | Д***4 | Шкворень | |
18 | Д***1 | Шпилька специальная | |
19 | Ш***9 | Шайба 24.65Г.069 | |
20 | Г***) | Гайка М24-6Н.5.019(S36) | |
21 | Ш***9 | Шплинт 5х40.019 | |
22 | А***3 | Палец | |
23 | Д***9 | Болт | |
24 | В***1 | Тяга | |
25 | Ш***9 | Шайба С20.02.019 | |
26 | В***4 | Проушина | |
27 | Г***) | Гайка М20-6Н.5.019(S30) | |
28 | Г***) | Гайка М30-6Н.8.019(S46) | |
29 | Д***4 | Болт | |
30 | Д***0 | Балка несущая | |
31 | Б***) | Болт М12-6gх40.58.019(S18) | |
32 | Ш***9 | Шайба 12.65Г.019 | |
33 | Ш***9 | Шайба С12.02.019 | |
34 | М***6 | Масленка 1.2.Ц6 | |
35 | Д***0 | Ось | |
36 | Д***7 | Втулка | |
37 | Ш***9 | Шайба 16.65Г.019 | |
38 | Б***) | Болт М16-6gх40.58.019(S24) | |
39 | Д***1 | Палец | |
40 | Ш***9 | Шплинт 8х80.019 | |
41 | 0***1 | Гайка прорезная | |
42 | 0***2 | Шайба | |
43 | Т***1 | Ось | |
44 | Д***2 | Опора отвала | |
45 | Г***6 | Гайка М36х3-6Н.6 | |
46 | Д***9 | Палец | |
47 | Ш***9 | Шайба С36х4 Ст3пс3.019 | |
48 | 2***2 | Колпачок пресс-масленки |
Содержащиеся в справочниках-каталогах запасные части и детали не предлагаются к продаже, а носят исключительно информационный характер. В демо-версии артикулы (номера деталей) скрыты. Если вы хотите видеть полные оригинальные номера запчастей, вам необходимо зарегистрироваться на нашем сайте и приобрести подписку по интересующей вас конфигурации, после этого вы сможете встроить онлайн-каталоги на ваш сайт или пользоваться ими из личного кабинета нашего сайта. Обращаем ваше внимание на то, что каталоги содержат информацию об оригинальных заводских номерах и названиях запчастей. База по аналогам в данный момент не реализована. Поиска по VIN-номерам в онлайн-каталоге не предусмотрено. Выбор конкретного каталога осуществляется путем открытия нужного типа техники, марки, модели с учетом года выпуска или модификации.